EasyManua.ls Logo

Morbark TORNADO 13 - Electrical Diagram; Adjusting the Auto-Feed

Default Icon
48 pages
Print Icon
To Next Page IconTo Next Page
To Next Page IconTo Next Page
To Previous Page IconTo Previous Page
To Previous Page IconTo Previous Page
Loading...
*REFER TO CHECK SHEET FIRST
1/99
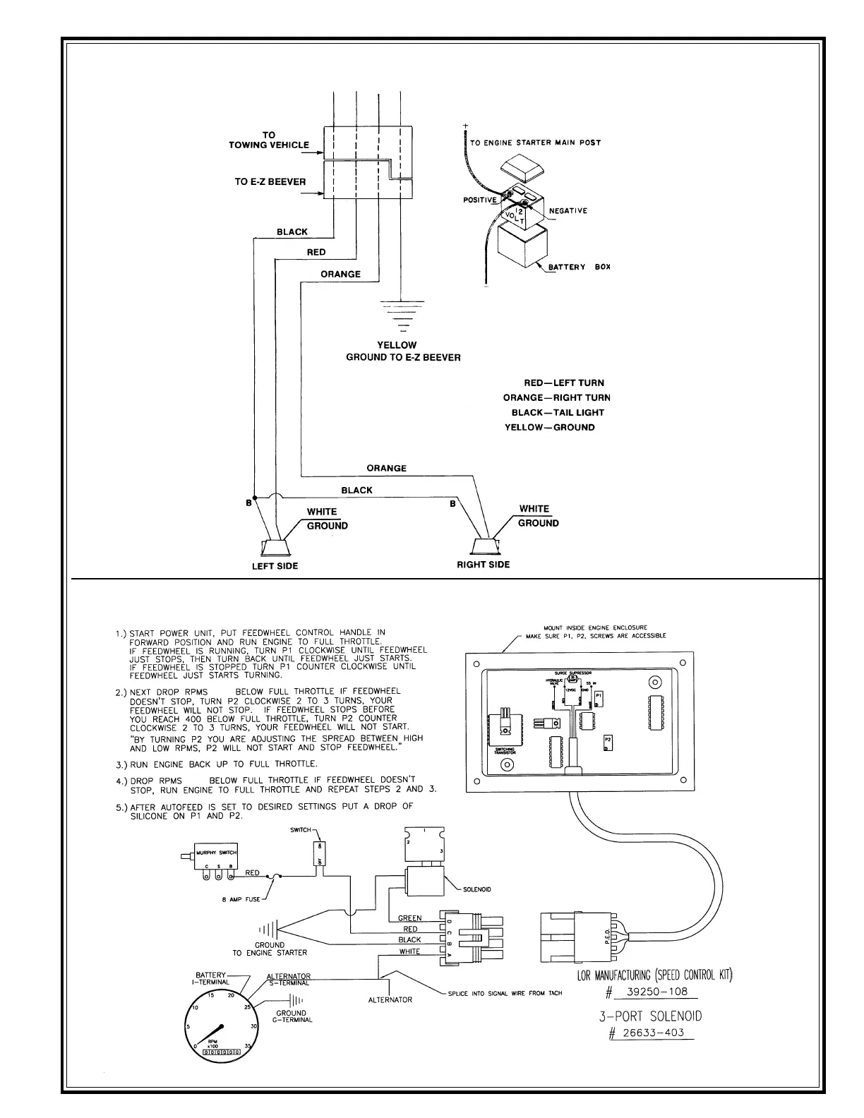
ELECTRICAL DIAGRAM
ADJUSTING THE AUTO-FEED
28
200
250