EasyManua.ls Logo

Motech MT 4080 - Application; Test Leads Connection

Motech MT 4080
55 pages
Print Icon
To Next Page IconTo Next Page
To Next Page IconTo Next Page
To Previous Page IconTo Previous Page
To Previous Page IconTo Previous Page
Loading...
39
4. Application
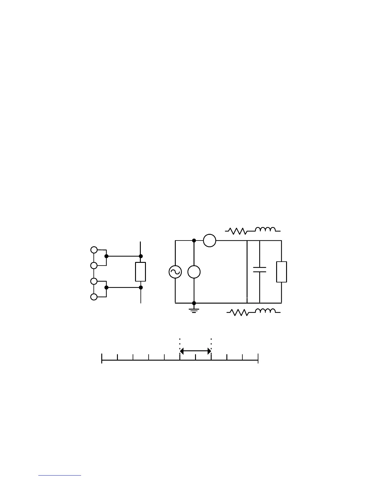
4.1 Test Leads Connection
Auto balancing bridge has four terminals (H
CUR
, H
POT
, L
CUR
and
L
POT
) to connect to the device under test (DUT). It is important to
understand what connection method will affect the measurement
accuracy.
2-Terminal (2T)
2-Terminal is the easiest way to connect the DUT, but it
contents many errors that are the inductor and resistor as well
as the parasitic capacitor of the test leads (Figure 3.1). Due to
these errors in measurement, the effective impedance
measurement range will be limited at 100
to 10K
.
R
H
CUR
H
POT
DUT
(b) BLOCK DIAGRAM
DUT
V
A
Co
o
L
o
R
o
L
o
(a) CONNECTION
(c) TYPICAL IMPEDANCE MEASUREMENT RANGE(£[)
2T
1m 10m 100m 1 10 1K 10K 100K 1M100 10M
L
POT
L
CUR
Figure 3.1