EasyManua.ls Logo

Motech MT 4080 - Page 47

Motech MT 4080
55 pages
Print Icon
To Next Page IconTo Next Page
To Next Page IconTo Next Page
To Previous Page IconTo Previous Page
To Previous Page IconTo Previous Page
Loading...
45
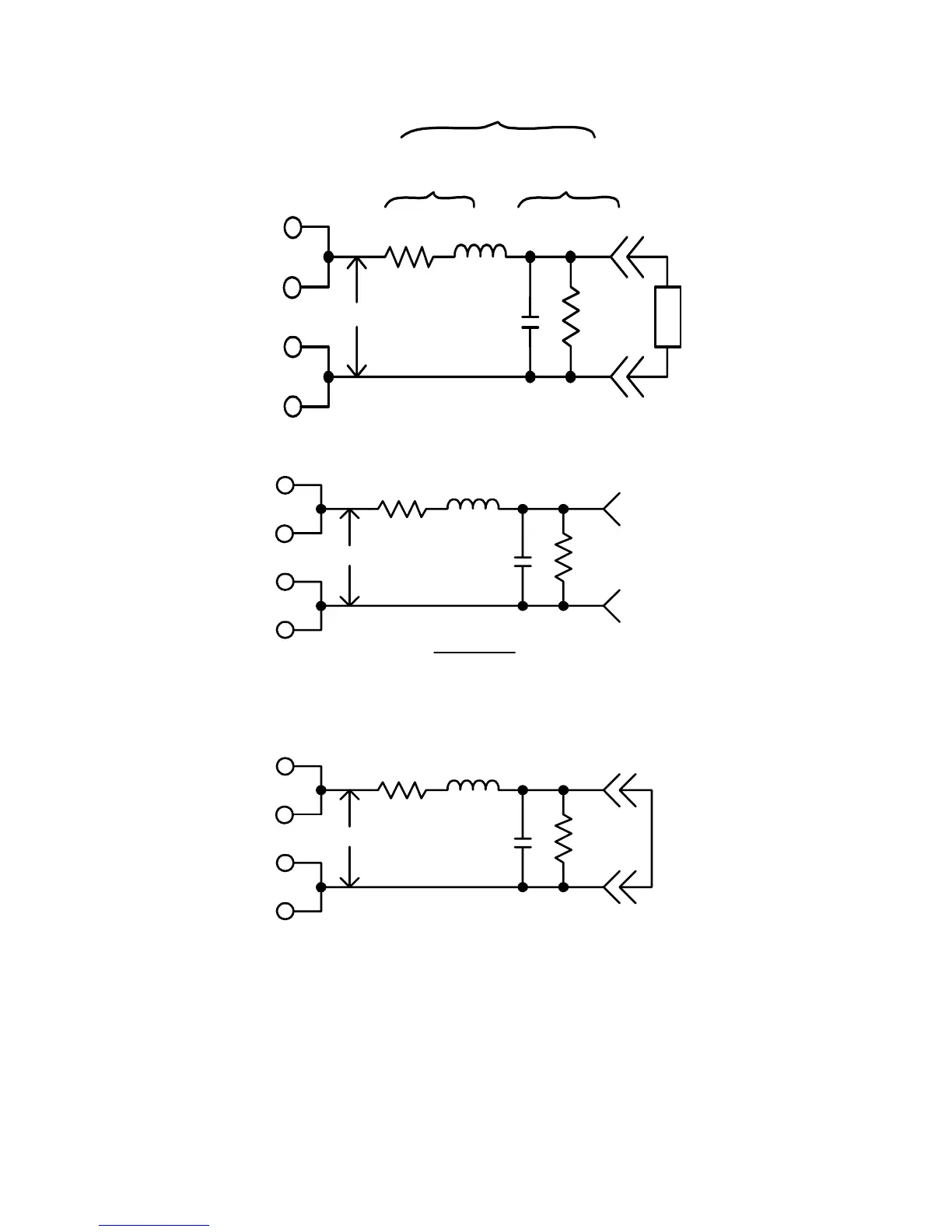
H
CUR
H
POT
L
CUR
L
POT
Zdut
C
o
R
s
L
s
G
o
Z
m
Redundant
Impedance
(Z
s
)
Parastic
Conductance
(Y
o
)
Parastic of the Test Fixture
(a) Parastic Effect of the Test Fixture
H
CUR
H
POT
L
CUR
L
POT
C
o
R
s
L
s
G
o
(b) OPEN Measurement
Y
o
OPEN
Y
o
= G
o
+ j
£s
C
o
1
(R
s
+ j
£s
<< )
G
o
+j
£s
C
o
H
CUR
H
POT
L
CUR
L
POT
C
o
R
s
L
s
G
o
(c) SHORT Measurement
Z
s
SHORT
Z
s
= R
s
+ j
£s
L
s
Figure 3.7