EasyManua.ls Logo

Motorola GM338

Motorola GM338
556 pages
To Next Page IconTo Next Page
To Next Page IconTo Next Page
To Previous Page IconTo Previous Page
To Previous Page IconTo Previous Page
Loading...
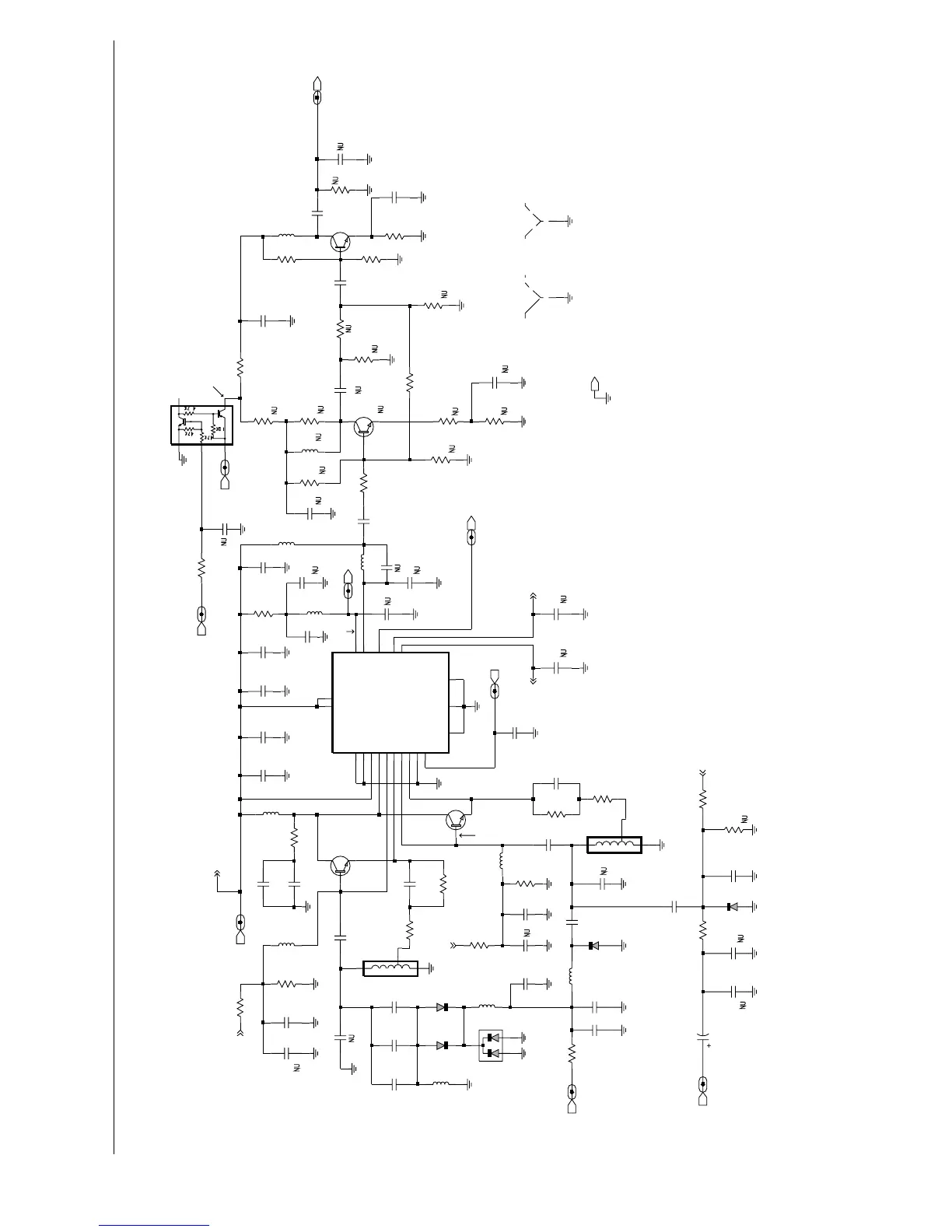
UHF Band 2 25-40W PCB / Schematics / Parts List 4-7
3pF
Q5331
VCOMOD
C5314
CR5303
R5345
C5334
C5303
4.3pF
220
51pF
100pF
R5340
C5323
C5315
RXINJ
1000pF
VSF_UHF_VC0
CR5301
R5361
180
GND
C5317
100pF
0
R5337
VCOBIAS_2
R5311
7.5K
390nH
L5304
C5381
0.1uF
C5351
100pF
C5353
0.1uF
L5313
L5331
33nH
0.1uF
390nH
C5308
0.1uF
C5352
390nH
L5305
CR5311
1
R5304
RXINJ_UHF_VCO
PRESC_UHF_VCO
150
R5312
7.5K
4.7uF
C5325
Q5333
10
R5335
10K
100pF
R5333
L5301
68nH
C5309
C5302
4.3pF
C5337
0
R5341
51pF
51pF
C5338
R5346
10K
SHIELD
SH5301
1
VCOBIAS_2_UHF_VCO
56K
R5321
30
R5303
R5314
SHIELD
1
220
.022uF
C5336
SH5302
1K
TXINJ
390nH
R5336
C5313
L5333
C5331
5.6pF
VCTRL_UHF_VCO
C5373
0.1uF
C5332
R5302
10K
390nH
TRB_UHF_VCO
TXINJ_UHF_VCO
L5361
CR5321
2.2uF
C5354
C5304
5.6pF
C5374
C5301
100pF
Q5301
30
R5313
P2
3
P3
L5302
220nH
L5303
RESONATOR
P1
2
C5339
51pF
10
R5305
R5334
C5333
TRB
0
220
R5338
5V
100pF
C5382
100pF
C5383
15nH
L5332
PRESC
C5311
100pF
10K
R5323
C5305
VSF
C5375
0.1uF
C5316
2.2K
R5342
2.2uF
C5363
C5355
22K
R5332
C5361
100pF
6.8K
R5322
1pF
C5321
22
R5331
1
P1
2
P2
3
P3
Q5332
L5312
RESONATOR
50U54
U5301
C5307
100pF
CR5302
5.6K
R5301
C5306
2pF
R5347
0
0.22uF
C5371
C5318
0.22uF
10
R5344
15pF
R5339
22
R5315
C5312
VCOMOD_UHF_VCO
0
1K
R5343
0.22uF
C5362
5V_UHF_VCO
68nH
L5311
100pF
C5372
C5335
68nH
100pF
C5324
L5371
VCTRL
3pF
100pF
C5322
Q5311
VSF
TXSW
$P
TXSW
RXSW
RXSW
VSF
ZWG0130365-0
4.2 VDC (Rx)
0 VDC (Tx)
0 VDC (Rx)
4.5 VDC (Tx)
4.2 VDC (Rx)
0 VDC (Tx)
4.5 VDC
2.3 VDC (Rx)
0 VDC (Tx)
2.5 to 10 VDC
4.5 VDC
0 VDC (Rx)
4.5 VDC (Tx)
4.5 VDC (Tx)
0 VDC (Rx)
0 VDC (Rx)
1.9 VDC (Tx)
4.5 VDc (Rx)
0 VDc (Tx)
> 14 dBm (Rx)
> 4 dBm (Tx)
2.58 VDC
4.5 VDC
(Rx)
TX_SWITCH
14
VCC_BUFFERS
18
VCC_LOGIC
RX_OUT
7
RX_SWITCH
3
SUPER_FLTR
19
TRB_IN
16
TX_BASE
15
TX_EMITTER
1
TX_IADJ
10
TX_OUT
13
FLIP_IN
11
GND_BUFFERS
9
GND_FLAG
GND_LOGIC
17
12
PRESC_OUT
5
RX_BASE
6
RX_EMITTER
2
RX_IADJ
8
4
COLL_RFIN
20
(Tx)
UHF Band 2 (450-520 MHz) Voltage Controlled Oscillator

Table of Contents

Related product manuals