EasyManua.ls Logo

Motorola XTS 2500

Motorola XTS 2500
914 pages
To Next Page IconTo Next Page
To Next Page IconTo Next Page
To Previous Page IconTo Previous Page
To Previous Page IconTo Previous Page
Loading...
February 14, 2012 6816985H01-F
4.4-18 700/800 MHz Detailed Theories of Operation: VOCON Functional Blocks
.
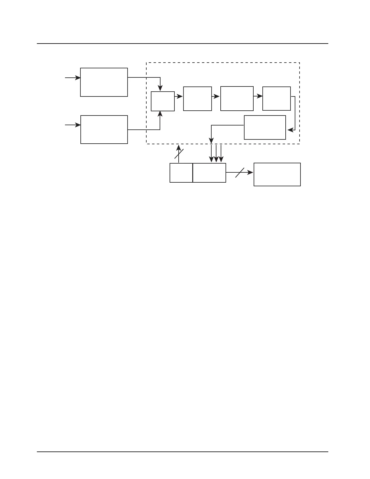
Figure 4.4-4. VOCON Transmit Audio Path
4.4.6.5 Receive Audio Path
Refer to Figure 4.4-5. The receive audio data comes from the Abacus III IC U401 (DOUTA) to the
dual-core processor SRDB pin. The DSP decodes the data and sends it out through the CODEC_RX
line to the MAKO IC VC_RX3V pin. The CODEC filters, adds digital programmable gain G1, then
converts the digital data into an analog audio signal, which in turn is sent to programmable
attenuator G3. The signal is then sent through an internal programmable differential preamplifier
(G4) to add gain and outputs the signal on pins VC_OUT_P and VC_OUT_M of the MAKO IC.
This output from the preamp is then filtered through circuitry R798, R844, C764, C765, C790, and
then sent back to 2 independent internal BTL differential power amplifiers, G5 & G6, of the MAKO IC.
The power amplifiers are programmed to a fixed gain of 26 dB through the dual-core processor SPI
lines and PA control registers.
The dual-core processor selects whether the amplified audio is routed to the internal speaker or the
external speaker through the SPI lines based upon which amplifier is turned on as shown in the PA
control block. The output audio is routed on MAKO IC pins INT_SPKR_P and INT_SPKR_M for
internal and EXT_SPKR_P and EXT_SPKR_M for external speaker lines.
Internal Mic Bias
R751, R753,
C751,
C753, C755
External Mic Bias
R750, R752,
C750, C752
C754
MUX
Pre-amp
G1 Gain
= 15 dB
Amp G2
Gain = -30
to 0 dB
CODEC
A/D 16-Bit
HPF = 200 Hz
& LPF = 3.4
kHz cutoff
CODEC_TX
CODEC_FSYNC
CODEC_DCLK
TX_SSI_FSYNC
TX_SSI_CLK
TX_DATA
3
4
MAKO_CS
SPI_MISOB
SPI_MOSIB
SCKB
EXT_MIC_P
INT_MIC_P
MAKO IC U701
RF D/A
U201
Patriot
SAP / BBP
Patriot
SPIB

Table of Contents

Other manuals for Motorola XTS 2500

Related product manuals