EasyManua.ls Logo

mr. steam CU-500 - Wiring Diagrams

Default Icon
36 pages
Print Icon
To Next Page IconTo Next Page
To Next Page IconTo Next Page
To Previous Page IconTo Previous Page
To Previous Page IconTo Previous Page
Loading...
mr
.
steam
®
C U S E R I E S Installation, Operating & Maintenance Manual
16
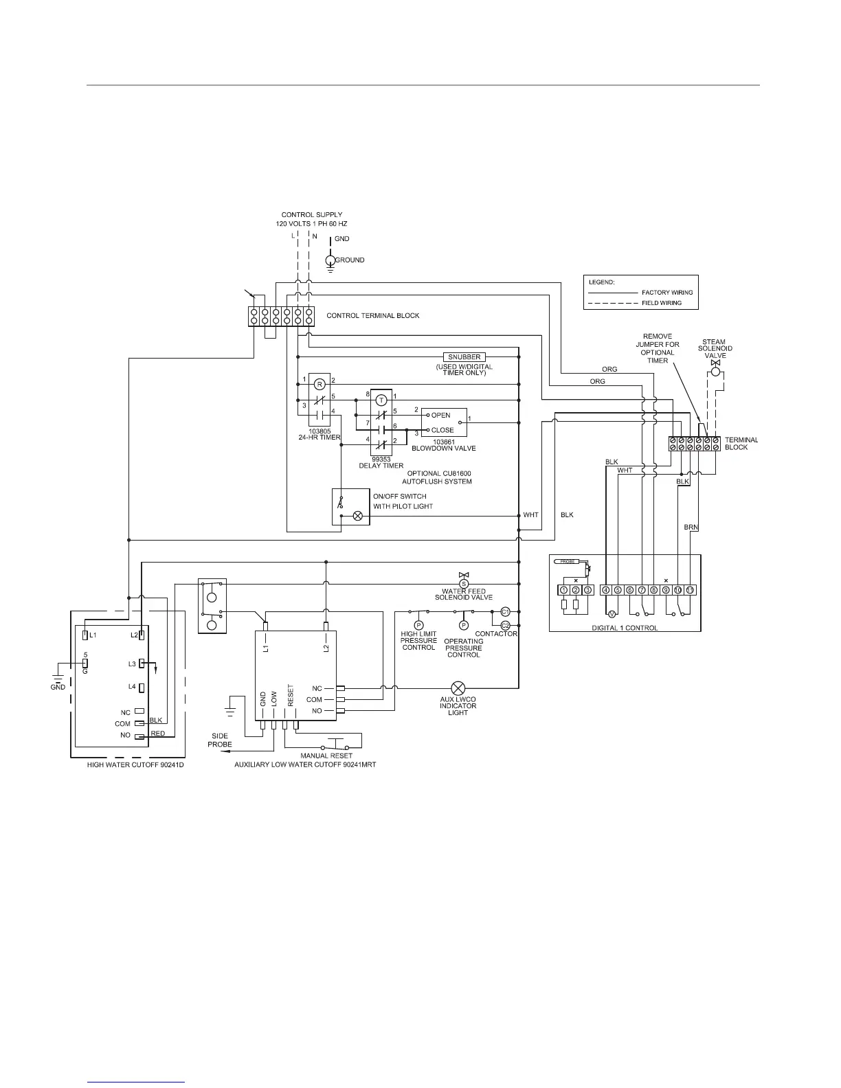
CONTROL CIRCUIT WIRING DIAGRAM
Models CU-2000 and higher with Digital 1
®
Temperature Control System
and Optional Automatic Blowdown Assembly
IMPORTANT:
1. Digital 1
®
sensors are intended to be field installed within the
steam room at the location selected by the designer/architect.
DO NOT LOCATE THE Digital 1 SENSORS NEAR OR ABOVE THE STEAMHEAD(S) AS THIS MAY CAUSE
DIRECT STEAM EMISSION TO INTERFERE WITH STEAMROOM TEMPERATURE REGULATION.
2. Autoflush System 24 hr. timer and Digital 1 operating settings are
at the discretion of the owner/operator.
IMPORTANT: Owners/operators should obtain a copy and familiarize |
themselves with the latest edition of the instruction manual.

Related product manuals