EasyManua.ls Logo

MSA 9010 SIL - Page 71

MSA 9010 SIL
76 pages
Print Icon
To Next Page IconTo Next Page
To Next Page IconTo Next Page
To Previous Page IconTo Previous Page
To Previous Page IconTo Previous Page
Loading...
70
Appendix
GB
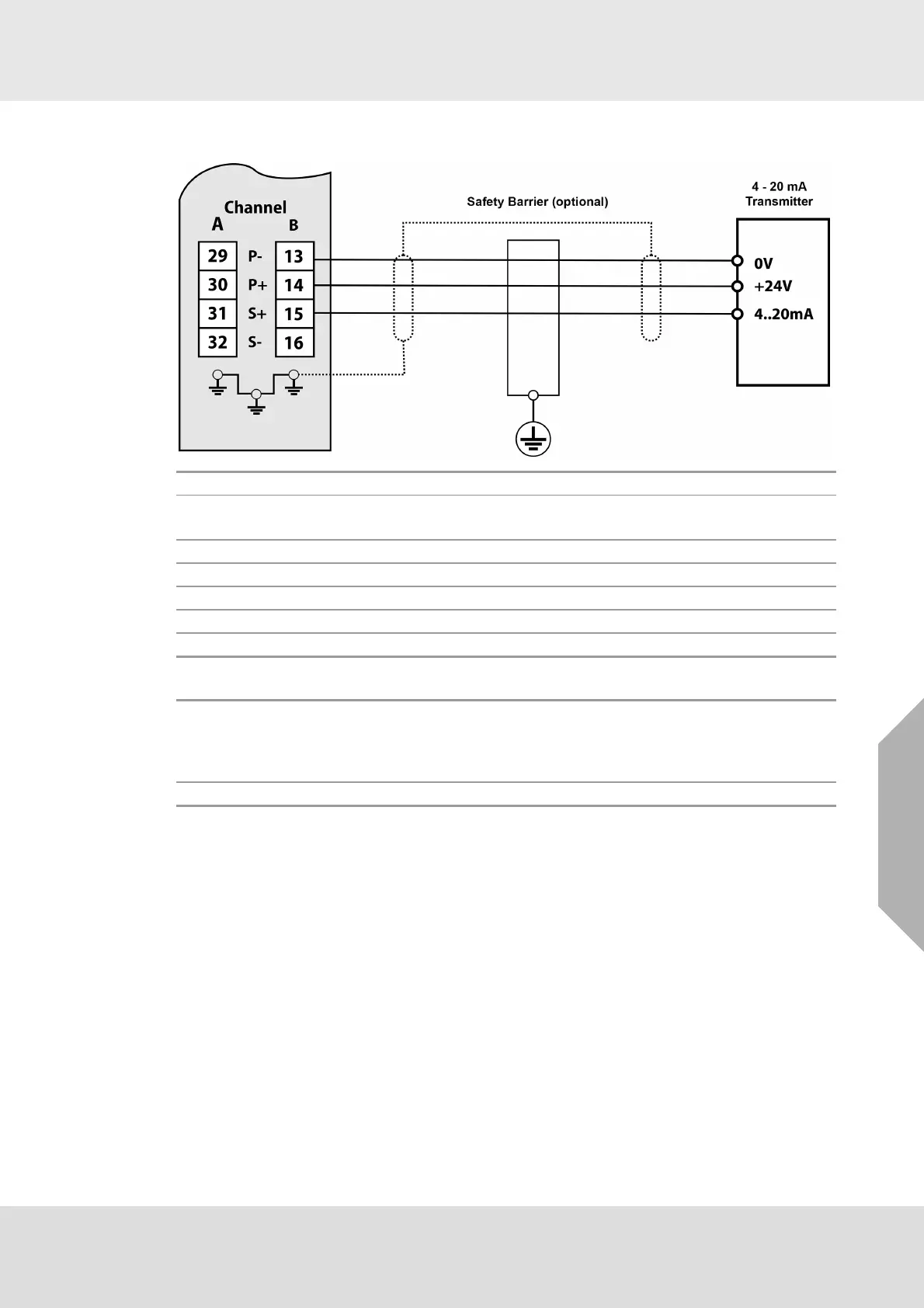
Model 9010/9020 SIL
4-20 mA Transmitter (3 Wires)
Simulation Module: Order No. 10030262
Conditions for use: For further details see operation manual of the transmitter.
Supply Voltage 19 - 30 VDC
Supply current
max. 450 mA (9010)
max. 350 mA (9020)
Cable type 3 core, 80 % screened
Maximum Load Transmitter dependent
Maximum cable length Transmitter dependent
Cable diameter 9 ….17 mm
Cross section per wire allowed 0.75 - 2.5 mm
2
MSA recommended transmitters
PrimaX P, PrimaX IR, Ultima XE (3 wire), Ultima XIR,
Ultima MOS 5, Ultima MOS 5E, FlameGard 5 MSIR,
FlameGard 5 UV/IR, FlameGard 5 UV/IR-E,
UltraSonic Ex 5
Recommended safety barriers See manual of transmitter

Related product manuals