EasyManua.ls Logo

MSI MEG Z490 GODLIKE

MSI MEG Z490 GODLIKE
100 pages
To Next Page IconTo Next Page
To Next Page IconTo Next Page
To Previous Page IconTo Previous Page
To Previous Page IconTo Previous Page
Loading...
45
Overview of Components
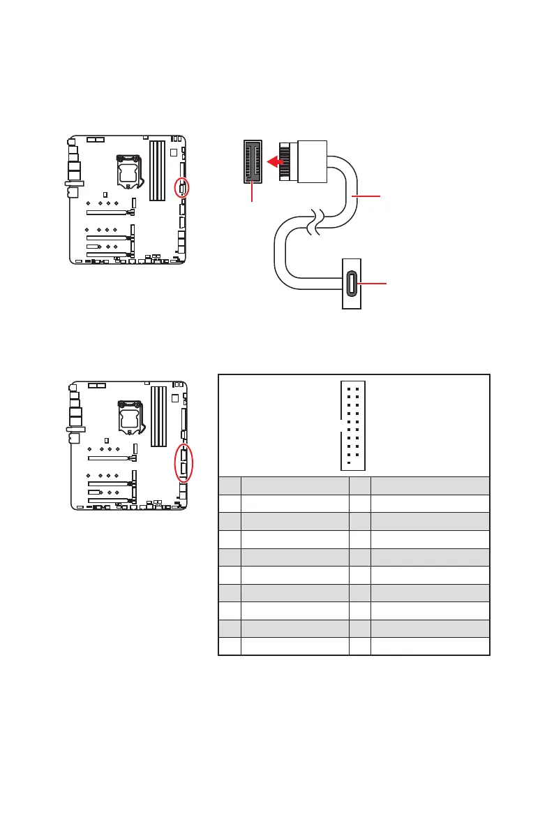
JUSB1: USB 3.2 Gen 2 10Gbps Type-C Connector
This connector allows you to connect USB 3.2 Gen 2 10Gbps Type-C connector on the
front panel. The connector possesses a foolproof design. When you connect the cable,
be sure to connect it with the corresponding orientation.
JUSB2~3: USB 3.2 Gen 1 5Gbps Connector
These connectors allow you to connect USB 3.2 Gen 1 5Gbps ports on the front panel.
Important
Note that the Power and Ground pins must be connected correctly to avoid possible
damage.
1
10 11
20
1 Power 11 USB2.0+
2 USB3_RX_DN 12 USB2.0-
3 USB3_RX_DP 13 Ground
4 Ground 14 USB3_TX_C_DP
5 USB3_TX_C_DN 15 USB3_TX_C_DN
6 USB3_TX_C_DP 16 Ground
7 Ground 17 USB3_RX_DP
8 USB2.0- 18 USB3_RX_DN
9 USB2.0+ 19 Power
10 Ground 20 No Pin
JUSB1
USB Type-C Cable
USB Type-C port on
the front panel

Table of Contents

Related product manuals