EasyManua.ls Logo

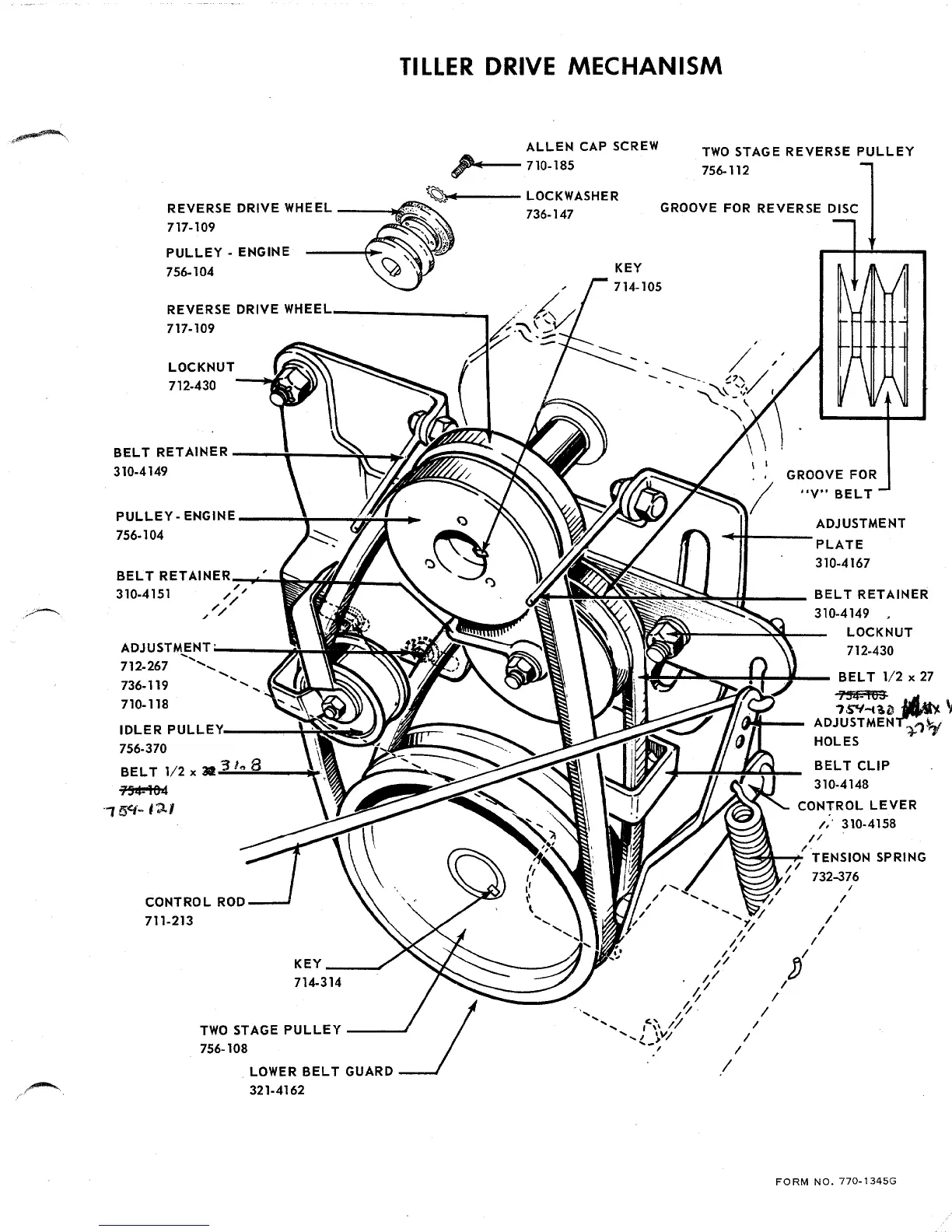
MTD 218-360 - Tiller Drive Mechanism

MTD 218-360
8 pages
Print Icon
To Next Page IconTo Next Page
To Next Page IconTo Next Page
To Previous Page IconTo Previous Page
To Previous Page IconTo Previous Page
Loading...

Related product manuals