EasyManua.ls Logo

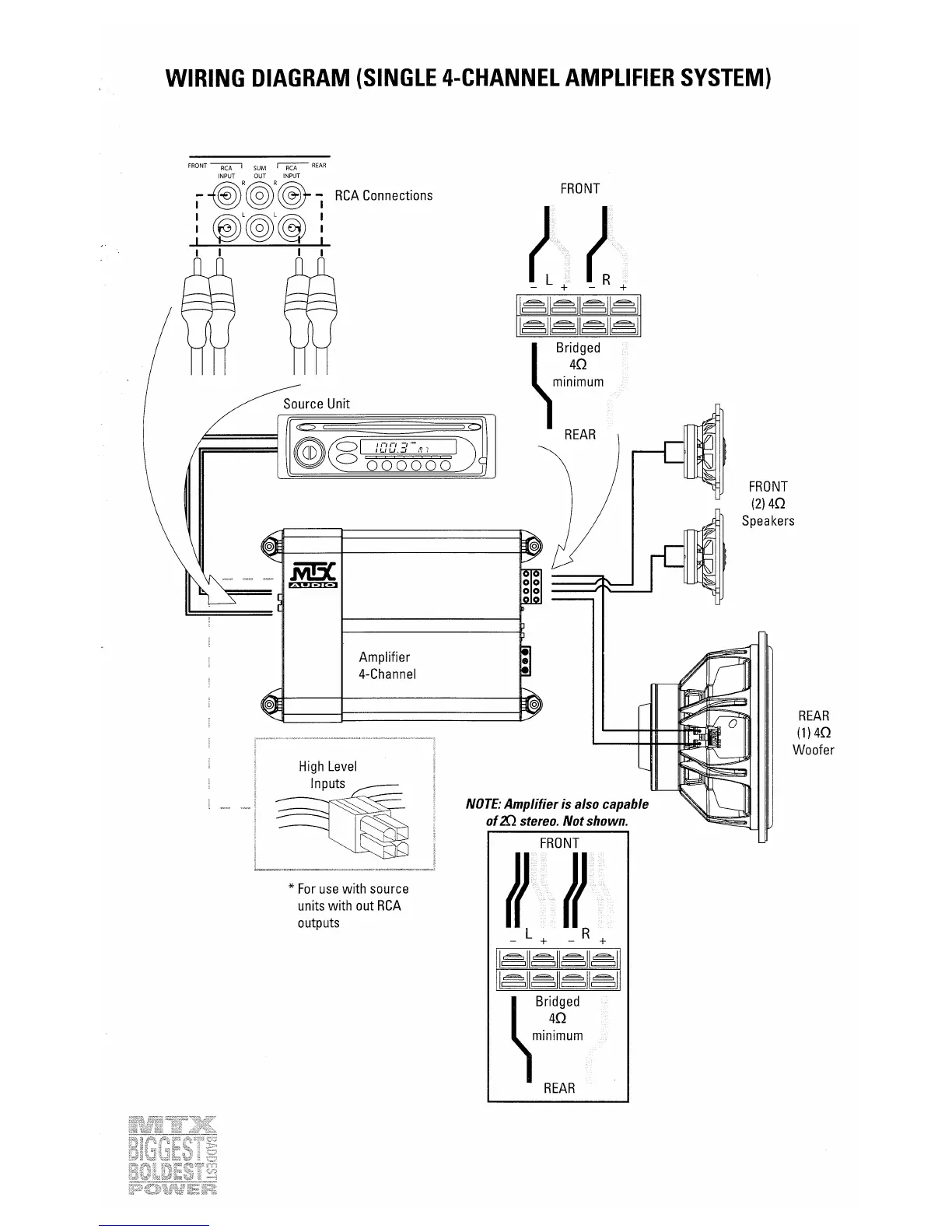
MTX Thunder TC4002 - Wiring Diagram (Single 4-Channel Amplifier System)

MTX Thunder TC4002
14 pages
Print Icon
To Next Page IconTo Next Page
To Next Page IconTo Next Page
To Previous Page IconTo Previous Page
To Previous Page IconTo Previous Page
Loading...

Related product manuals