EasyManua.ls Logo

Multiaqua MAC-036HE - Page 23

Default Icon
26 pages
Print Icon
To Next Page IconTo Next Page
To Next Page IconTo Next Page
To Previous Page IconTo Previous Page
To Previous Page IconTo Previous Page
Loading...
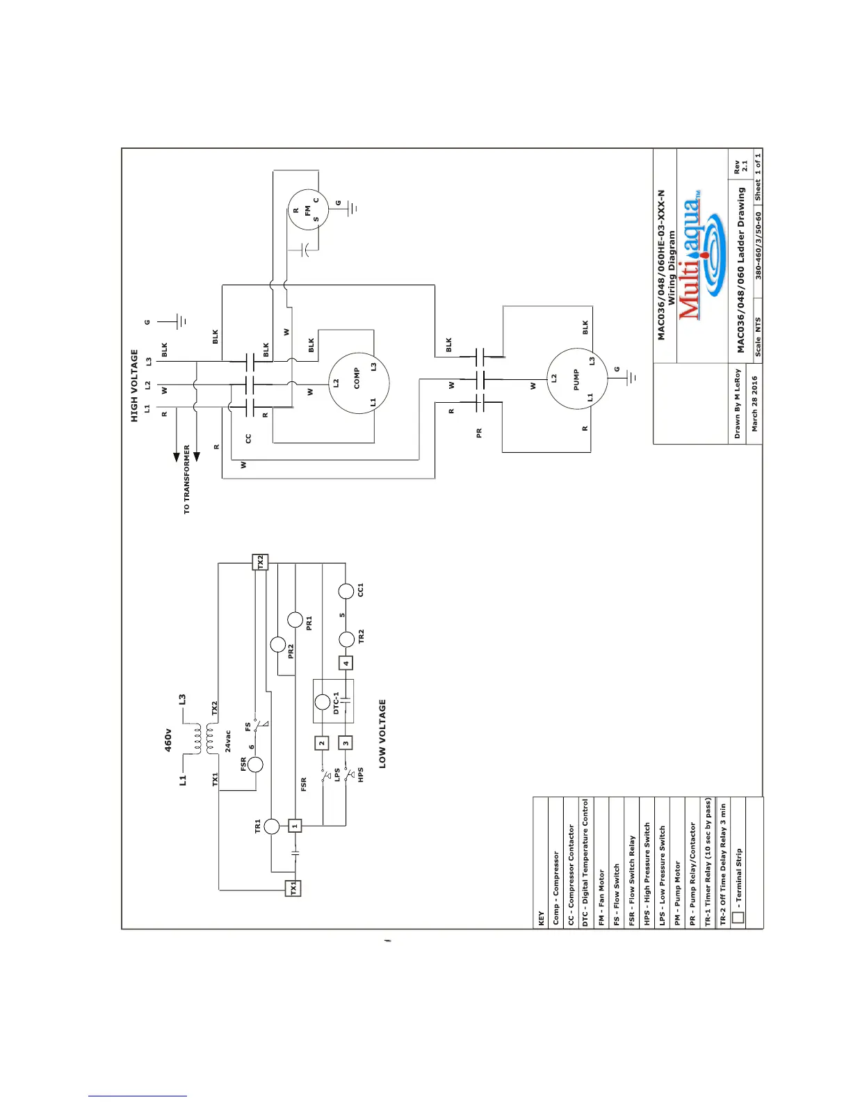
MAC-36HE, -048HE, -060HE-3 Ladder Wiring Diagram
380/460-3-50/60
Page 23 of 28

Related product manuals