EasyManua.ls Logo

Multiaqua MAC-036HE - Wiring Diagrams

Default Icon
26 pages
Print Icon
To Next Page IconTo Next Page
To Next Page IconTo Next Page
To Previous Page IconTo Previous Page
To Previous Page IconTo Previous Page
Loading...
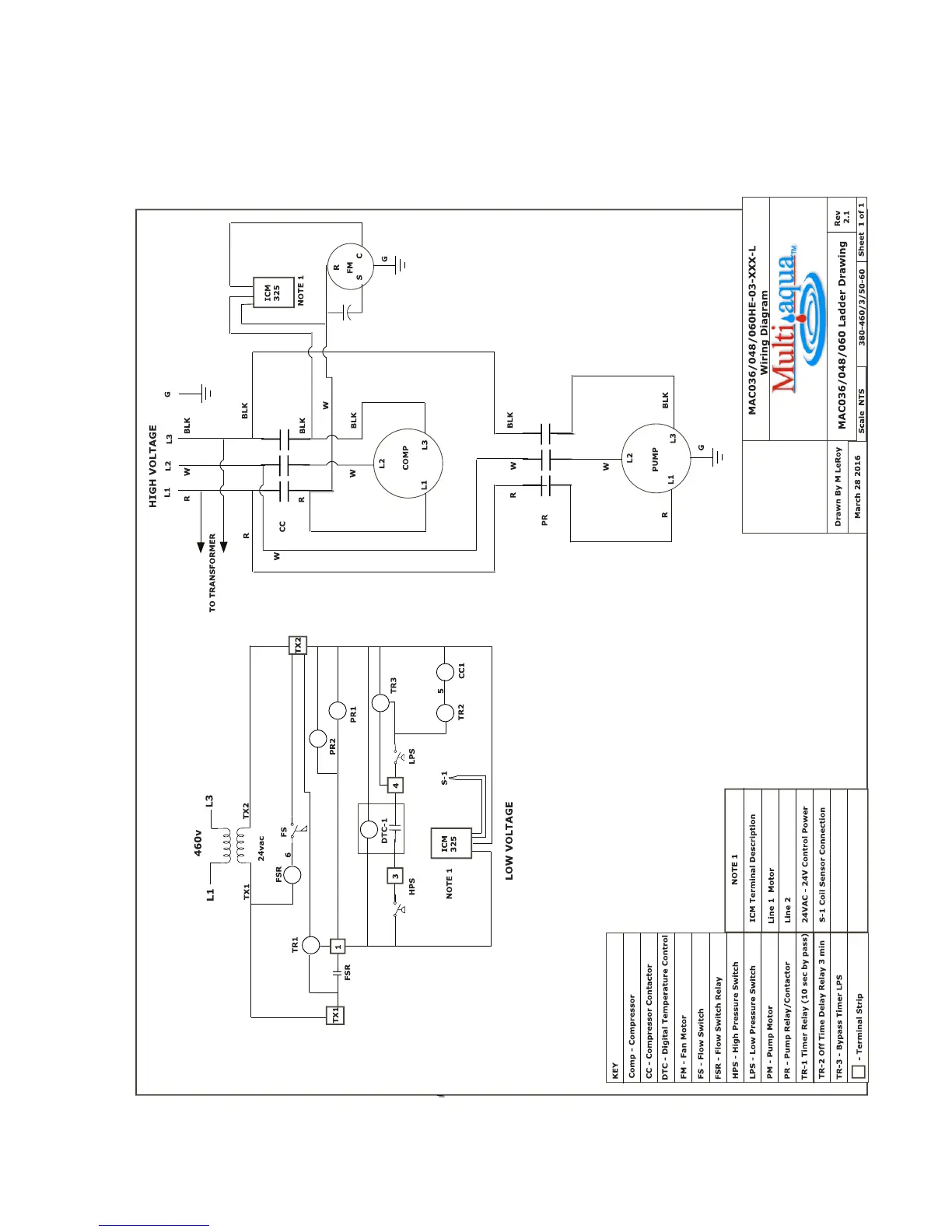
MAC-36HE, -048HE, -060HE-3-L Ladder Wiring Diagram
With Low Ambient Kit
380/460-3-50/60
Page 24 of 28

Related product manuals