EasyManua.ls Logo

Multilin 139 series - Page 36

Default Icon
46 pages
Print Icon
To Next Page IconTo Next Page
To Next Page IconTo Next Page
To Previous Page IconTo Previous Page
To Previous Page IconTo Previous Page
Loading...
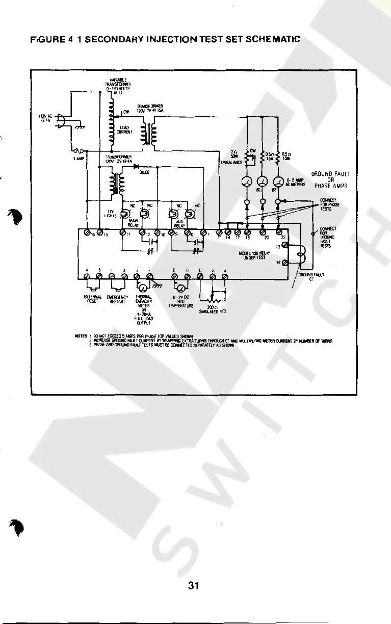
FIGURE 4-1 SECONDARY INJECTION TEST SET SCHEMATIC
__
,
TRNISFCllMER
~--~~O,·l~;?-lS
lf!ANSfi'.flMER
rJ#
1211.t:N@lflo\
.-~~~~~~---.~...-~
31
"""
Si~ATEORTD
"
Meal
139
RELAY
UN[X:R
TEST
"
"
GROUND
FAULT
o-~-
OR
ACMET£RS
PHASE
AMPS
Courtesy of NationalSwitchgear.com

Related product manuals