EasyManua.ls Logo

MULTIQUIP LS450 - Wiring Diagram (Hopper Vibrator Option)

MULTIQUIP LS450
90 pages
Print Icon
To Next Page IconTo Next Page
To Next Page IconTo Next Page
To Previous Page IconTo Previous Page
To Previous Page IconTo Previous Page
Loading...
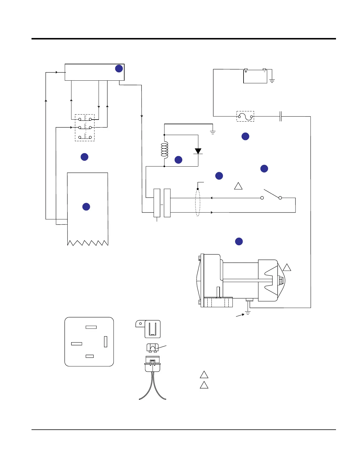
MAYCO LS450 CONCRETE PUMP • OPERATION MANUAL — REV. #2 (02/23/21) — PAGE 83
12VDC
CHASSIS
GND.
ORANGE
30 AMP
FUSE
FUSE
HOLDER
30/51
87
NO
2
1
RELAY
K1-1
RELAYK1
(REAR VIEW)
85
87
86
30/51
FUSE HOLDER
P/N EM98066
FUSE NOT
INCLUDED
W/KIT
30A
MODEL EMDC400
VIBRATOR
POWER
INPUT
CONNECT TO
CHASSIS GND
BATTERY
85
86
RELAY
K1
DIODE 1 AMP
P/N EM98002
CHASSIS
GND.
1
1
1
DIGITAL READOUT
MODULE
2
2
2
FUEL
SOLONOID
12 AWG RED
(+12VDC)
+12VDC OUTPUT
J3-4
E-STOP
J1-7
+12VDC
12 AWG BRN
(+12VDC INPUT)
J1-10
J1-9
RED/WHT
CONTROLLER
BLACK
POTTED
BOX
FUEL SOLENOID
(SHUT-DOWN)
+12VDC POWER OUT
+12VDC RED
CONTROL BOX INTERIOR
VIBRATOR RELAY
NOTES:
1
FOR COMPLETE VIBRATOR KIT ORDER P/N EMDC400K.
1
RED 10 AWG.
VIBRATOR
ON/OFF
(SW1)
RED
RED
11
22
25 FT. CORD
P/N EM26788
RELAY KIT
P/N 515799
REMOTE
RECEPTACLE
P/N EM26789
2
2
INCLUDES SWITCH.
F
C
A
EMERGENCY STOP
SWITCH
B
D
E
G
H
WIRING DIAGRAM (HOPPER VIBRATOR OPTION)

Related product manuals