EasyManua.ls Logo

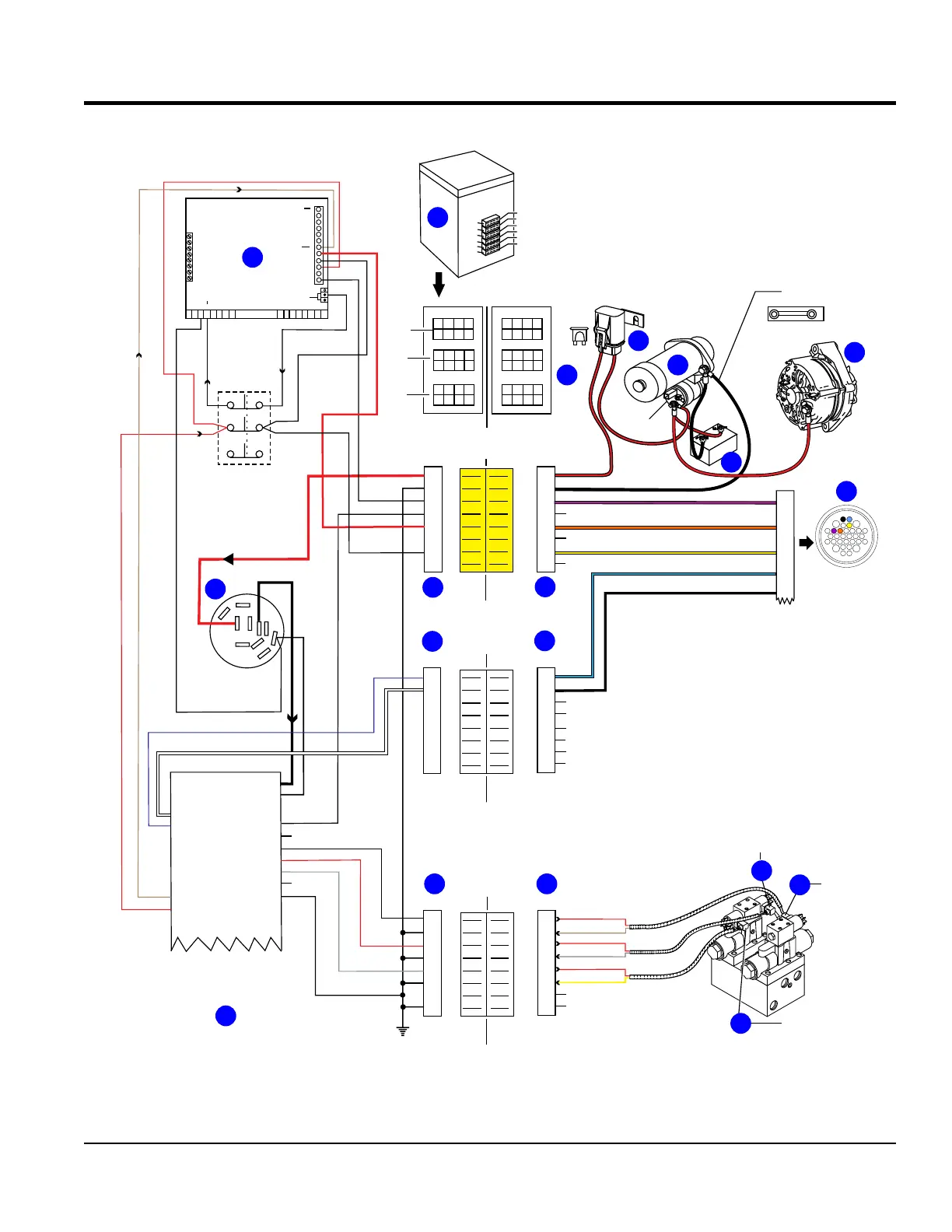
MULTIQUIP LS450 - Wiring Diagram #1 (External Control Box)

MULTIQUIP LS450
90 pages
Print Icon
To Next Page IconTo Next Page
To Next Page IconTo Next Page
To Previous Page IconTo Previous Page
To Previous Page IconTo Previous Page
Loading...
MAYCO LS450 CONCRETE PUMP • OPERATION MANUAL — REV. #2 (02/23/21) — PAGE 87
WIRING DIAGRAM #1 (EXTERNAL CONTROL BOX)
ALTERNATOR
1
2
3
4
5
6
7
8
4
3
2
1
8
7
6
5
2
2
2
1
1
1
J1 MALE
INTERFACE
CONNECTOR
(YELLOW)
INSIDE
CONTROL
BOX
OUTSIDE
CONTROL
BOX
12 AWG RED
10 AWG RED
10 AWG BLK
18 AWG PURPLE
30 AMP
FUSE
30
17
58
19
15/54
50A
+12VDC POWER IN
TACH INPUT
LOW OIL INPUT
SWING A
CYL A
CYL B
THROTTLE
GROUND
BLK
RED
GRN
ENGINE CRANK
P1 P1
1
2
3
4
5
6
7
8
4
3
2
1
8
7
6
5
J2 MALE
INTERFACE
CONNECTOR
(WHITE)
INSIDE
CONTROL
BOX
OUTSIDE
CONTROL
BOX
14 AWG RED
14 AWG BRN
14 AWG YEL
14 AWG RED
14 AWG RED
14 AWG GRAY
18 AWG ORANGE
8 7
6
5
4 3
2
1
J1
8 7
6
5
4 3
2
1
J2
INSIDE
CONTROL
BOX
OUTSIDE
CONTROL
BOX
YELLOW
WHITE
FUSE
HOLDER
IGNITION
SWITCH
P2
F
P2
CONTROLLER
BLACK
POTTED
BOX
12 AWG RED
FUEL SOLENOID
(SHUT-DOWN)
+12VDC OUTPUT
E-STOP
BLK
+12VDC POWER OUT
BRN
RED
BATTERY
STARTER
SOLENOID
SWING A
SOLENOID
SHUTTLE
CYLINDER
MANIFOLD
YELLOW
YELLOW
WHITE
YELLOW
WHITE
J1
J2
J3
J4
J5
CONTROL
BOX REAR
VIEW
10 AWG RED
CIRCUIT ACTIVE = +12VDC
CIRCUIT OFF = GND
GND
EMERGENCY
STOP
SWITCH
A
DIGITAL READOUT
MODULE
1 2
3 4 5 6 7 8
1 2
3 4 5 6 7 8
J4
GND
+12VDC IN
+12VDC OUT
J2J3
E-STOP
A
1
2
3
4
5
6
7
8
9
10
11
12
8 7
6
5
4 3
2
1
J1
8 7
6
5
4 3
2
1
J2
LOW BATTERY
12 AWG RED (+12VDC)
J1
B+
10 AWG RED
CONNECTIONS TO J1, J2 AND J6 RECEPTACLES ON
DIGITAL CONTROL BOX (LS450)
J6
WHITE
+12VDC
ENGINE
FRAME
18 AWG YELLOW
COMMUNICATION
RECEPTACLE
REAR VIEW
C
SOLENOID
MAIN A
CYLINDER
FRONT
SOLENOID
MAIN B
CYLINDER
REAR
NC
NC
NC
NC
NC
1
2
3
4
5
6
7
8
4
3
2
1
8
7
6
5
J6 MALE
INTERFACE
CONNECTOR
(WHITE)
INSIDE
CONTROL
BOX
OUTSIDE
CONTROL
BOX
P6
P6
NC
NC
bbaa
2
B
A
1
hh
C
D
E
F
G
cc
N
M
L
K
J
H
P
R
S
T
U
dd
4
ee
3
gg
V
W
18 AWG LIGHT BLUE
18 AWG BLACK
D
B
bb
aa
NC
NC
NC
NC
NC
NC
CAN LOW
CAN HIGH
CAN LOW
18 AWG BLUE
CAN HIGH
18 AWG WHITE
8 7
6
5
4 3
2
1
J6
8 7
6
5
4 3
2
1
J6
WHITE
A
A
A
A
A
A
A
A
AA
L
I
H
P
Q
B
E
D
K
ENGINE START CMD.
ENGINE HIGH SPEED CMD.
ENGINE SHUTDOWN

Related product manuals