EasyManua.ls Logo

MULTIQUIP LS450 - Hydraulic System Diagram

MULTIQUIP LS450
90 pages
Print Icon
To Next Page IconTo Next Page
To Next Page IconTo Next Page
To Previous Page IconTo Previous Page
To Previous Page IconTo Previous Page
Loading...
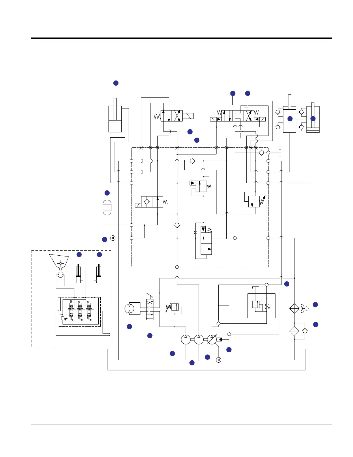
MAYCO LS450 CONCRETE PUMP • OPERATION MANUAL — REV. #2 (02/23/21) — PAGE 85
HYDRAULIC SYSTEM DIAGRAM
B1
A1
T1
P1
T2
B2
A2
P2
7CC 14CC
TP
ABB
A
P
T
MANIFOLD
IN
OUT
RELIEF
LS
STA-1
STA-2
T3
ACCUMULATOR
GAUGE
5000 PSI
PRESSURE
GAUGE
RETURN
FILTER
HEAT
EXCHANGER
REMIX
MOTOR
REMIX
DIRECTIONAL
VALVE
REMIX
PUMP
PUMP
ACCUMULATOR
MAIN
PUMP
SHUTTLE
HYDRAULIC
CYLINDER
SWING
VALVE
MAIN
VALVE
MAIN A
HYDRAULIC
CYLINDER
FLOW
CONTROL
A
B
D
C
E
F
MAIN B
HYDRAULIC
CYLINDER
G
I
H
ACCUMULATOR
J
K
L
O
N
M
Q
R
P
OPTIONAL AGITATOR AND
HYDRAULIC OUTRIGGERS
RELIEF VALVE
1000 PSI
T
T
T
P
P
LEFT
OUTRIGGER
S
RIGHT
OUTRIGGER
T

Related product manuals