EasyManua.ls Logo

MULTISPAN MS 1248-M1 - Key Operation; Input Selection

MULTISPAN MS 1248-M1
12 pages
Print Icon
To Next Page IconTo Next Page
To Next Page IconTo Next Page
To Previous Page IconTo Previous Page
To Previous Page IconTo Previous Page
Loading...
www.multispanindia.com
Main Menu: To change set value & hystersis based on relay mode & grouping
In Group No 1, If 1st channel, have a set point as a high alarm, 1 relay.
In Group No 2 If 2nd channel, have a set point as a low alarm, 1 relay.
For, 3rd, 4th, 5th, 6th, 7th, 8th channel have a set point as high & low alarm, 2 relay.
For Example:
Page-3
(Repeat the same procedure for all 8 channels).
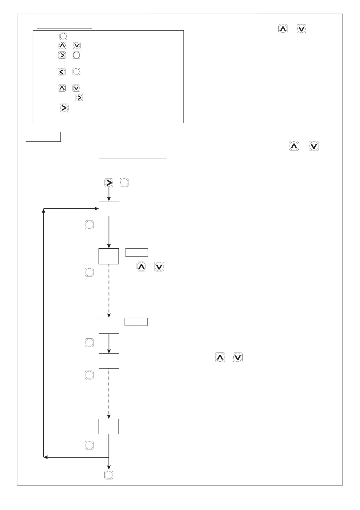
Scan time. (Second)
Press + key.
Presskey.
Use or key to Skip or Unskip Channel.
SET
5
J-TY
UNS
SCN
CH 1
CH 1
J-TY
Ch 8
1
S 1P
S 1P
/
/
To change the Input Type, Press or Key.
( J, K , PT-100,PT.1 ).
(Repeat the same procedure for all 8 channels).
h
UNS
Ch 8
1
h
h
h
Press key to save & exit.
Input Selection
MENU-1
Note :- Values can be changed
by pressing or keys.
SET
Presskey.
SET
Presskey.
SET
Presskey.
SET
Presskey.
SET
ENT
MS-1248-M1
SET
SET
SET
2) Press & Key to change the parameter setting.
5) Press + Key to set OFFSET.
6) Press & hold key to enter in scroll & hold mode.
3) Press + Key to enter in parameter menu
4) Press + Key to enter in group menu for relay
(Input selection, skip-unskip selection)
mode selection.
1) Press key to enter in set value menu.
SET
SET
Key Operation
Note :- Values can be changed
by pressing or keys.
7) Press key for 3 Sec to Change continuous
scrolling or manual scrolling.

Related product manuals