EasyManua.ls Logo

Multitone RPR 551IS - Page 125

Multitone RPR 551IS
127 pages
Print Icon
To Next Page IconTo Next Page
To Next Page IconTo Next Page
To Previous Page IconTo Previous Page
To Previous Page IconTo Previous Page
Loading...
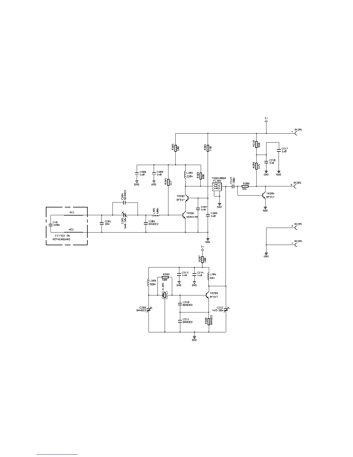
TM1188 Issue 1 AL2 (Oct. 98) Figure 4: RPR 552IS Radio Board Circuit Diagram Page 7 - 9/10

Related product manuals