EasyManua.ls Logo

MUNBYN ITPP047 - Drive Circuit

MUNBYN ITPP047
21 pages
Print Icon
To Next Page IconTo Next Page
To Next Page IconTo Next Page
To Previous Page IconTo Previous Page
To Previous Page IconTo Previous Page
Loading...
Page20 of 21
ITPP047 Thermal Printer Hardware Manual
Version 1.00
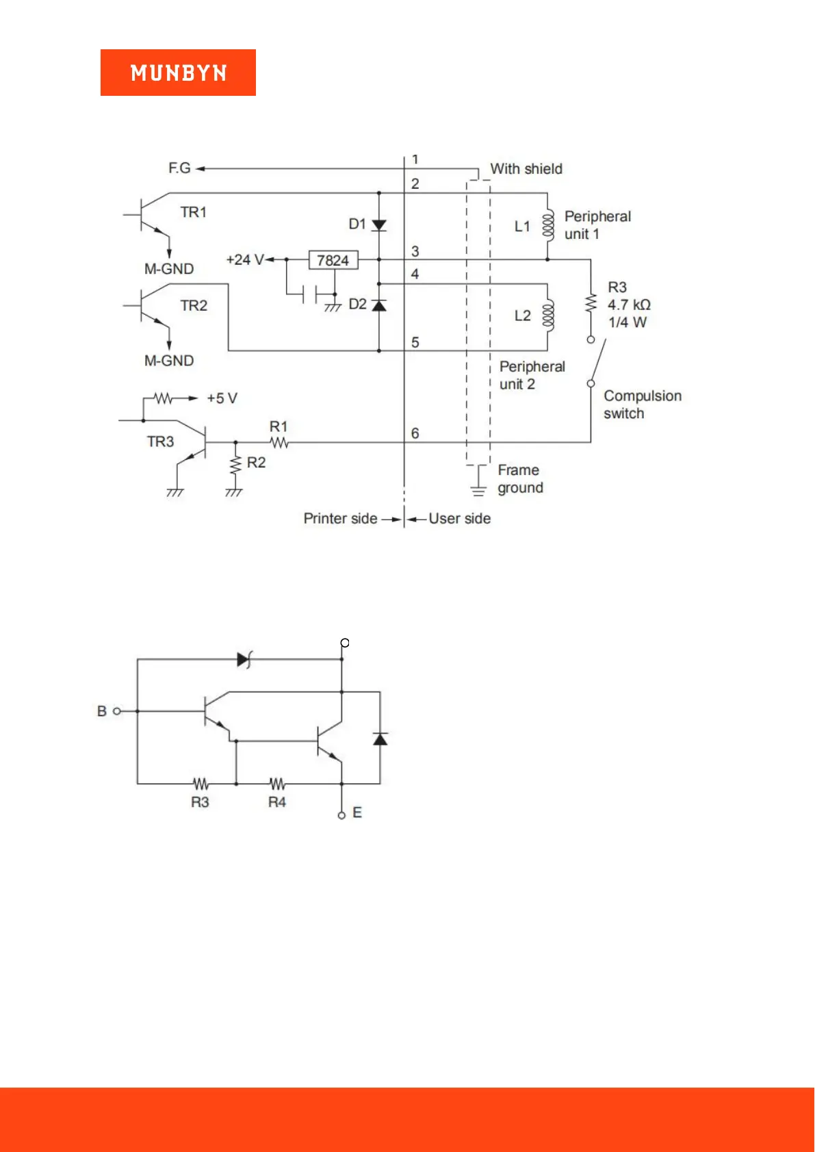
4.2. Drive Circuit
The recommended drive unit is shown below.
Figure 4- 2 Circuit Diagram
Reference
2SD 1866 Circuit Configuration
Drive Output:
24 V, Max. 1.0 A
TR1, TR2: Transistor 2SD1866 or
equivalent
R1=10 kΩ
R2=33 kΩ
Figure 4- 3 Circuit Configuration
C

Other manuals for MUNBYN ITPP047