EasyManua.ls Logo

mycom 320LUD - Page 111

Default Icon
179 pages
Print Icon
To Next Page IconTo Next Page
To Next Page IconTo Next Page
To Previous Page IconTo Previous Page
To Previous Page IconTo Previous Page
Loading...
Chapter 5 Maintenance and Inspection
UD-series Screw Compressor 5.5 Reassembly
5-56
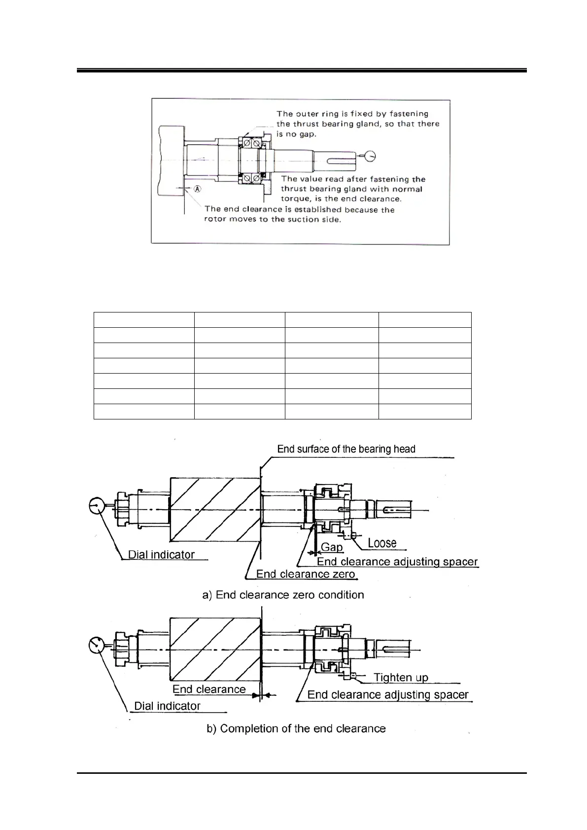
Figure 5-24 End Clearance adjustment (II)
Tightening torque
Figure 5-25
Model
N
m
Kg
cm
Ft
lb
125
30
300
21.70
160
40
400
28.93
200
50
500
36.17
250
60
600
43.40
320
120
1200
86.78
400
90
900
65.10

Table of Contents

Related product manuals