EasyManua.ls Logo

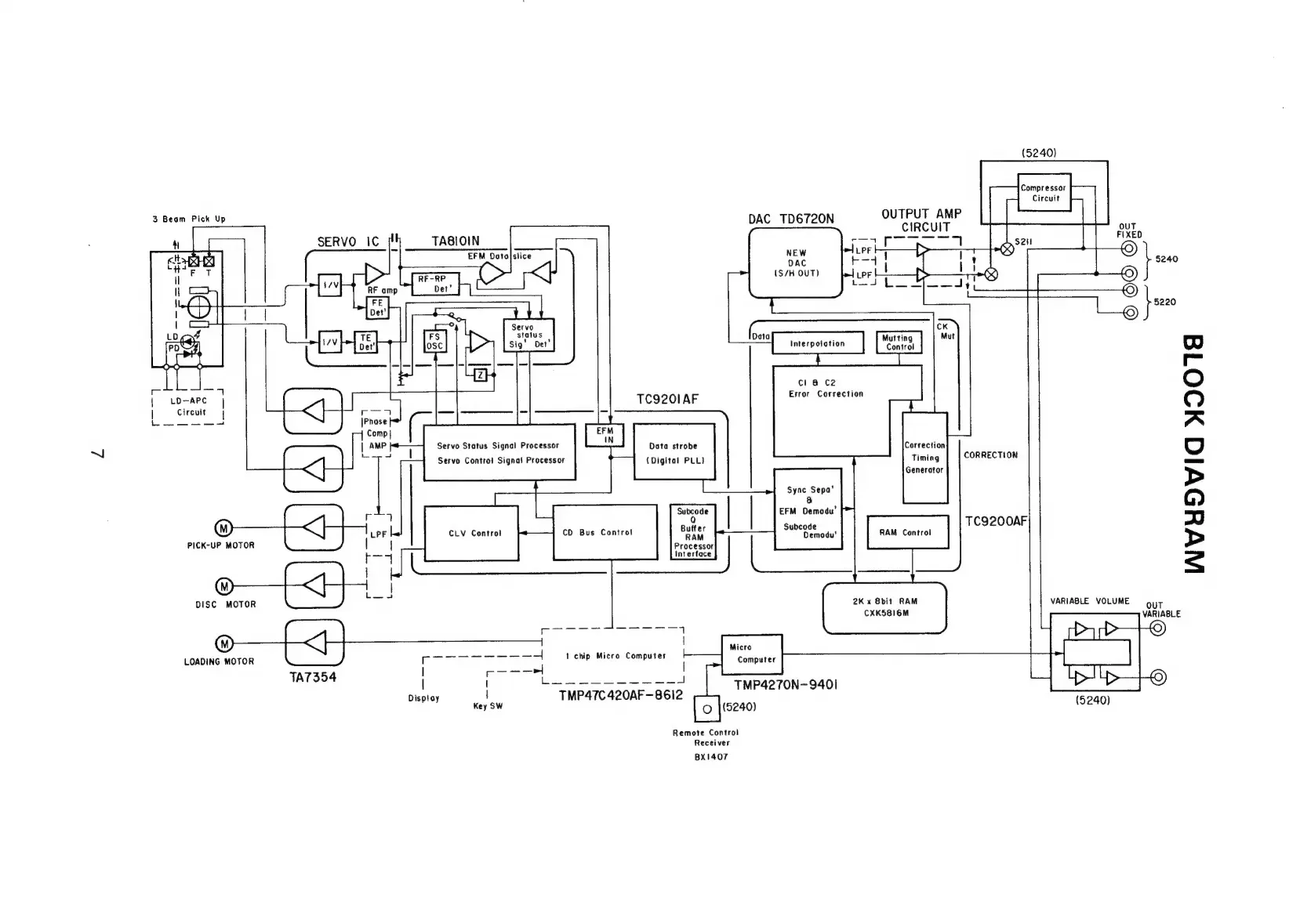
NAD 5240 - Block Diagram

NAD 5240
25 pages
Print Icon
To Next Page IconTo Next Page
To Next Page IconTo Next Page
To Previous Page IconTo Previous Page
To Previous Page IconTo Previous Page
Loading...
(5240)
3
Beam
Pick
Up
DAC
TD6720N
OUTPUT
AMP
{iF
fia
Circuit
CIRCUIT
|
re
eer
ea
|
NEW
©
©)
DAC
5240
(S/H
OUT)
4
Servo
status
a
Sig’
Det’
ci
&
C2
Error
Correction
TC92Z0IAF
-
q
{
-LD-APC
|
|
L
Circuit
|
ra4
—-—---
|Phase
Comp}
I
(N
Correction
Timing
CORRECTION
Generotor
Servo
Status
Signal
Processor
Servo
Control
Signat
Processor
Osta
strobe
{Digital
PLL)
Sync
Sepa’
Subcode
EFM
Demodu’
&
Q
CLV
Control
CD
Bus
Control
Butter
Sabeoee
PICK-UP
MOTOR
I
4
ee
t--74
|
interface
|
———
TC9200AF
DISC
MOTOR
x
8bit
RAM
VARIABLE
VOLUME
out
CXKS8I6M
VARIABLE.
Poti
ee
ee
a
1
1
|
5
Micro
LOADING
MOTOR
post
SS
4
1
chip
Micro
Computer
bea
|
ees
eee
7
TMP4270N-9401
Display
ow
TMP47C
420AF-8612
ey
Fe
(5240)
(5240)
Remote
Control
Receiver
BXI407
INVYSOVIG
HO01E8

Other manuals for NAD 5240

Related product manuals