EasyManua.ls Logo

NAD T744 - Page 35

NAD T744
67 pages
Print Icon
To Next Page IconTo Next Page
To Next Page IconTo Next Page
To Previous Page IconTo Previous Page
To Previous Page IconTo Previous Page
Loading...
35
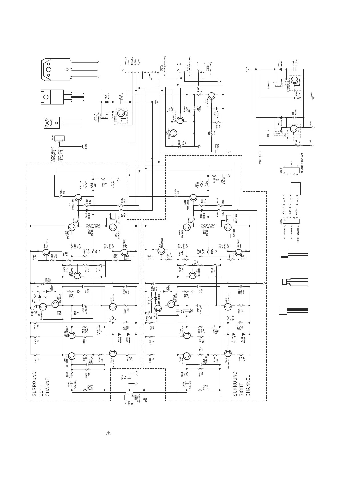
SURROUND AMPLIFIER
E C B
2SC2362
B C E
2SA1606
2SC4159
B C E
2SA2031
2SC5669
E C B
2SD600K
2SD631K
DTC123ESA
E C B
E C B
2SA1016K
2SC2362
RESISTORS : RN-CERAMIC CASE, MO-METAL OXIDE, UNLESS OTHERWISE SPECIFIED ARE CARBON FILM.
NOTE: 1. RESISTORS, UNLESS OTHERWISE SPECIFIED, ARE 1/6W, 5%.
2. ALL CERAMIC CAPACITORS, UNLESS OTHERWISE SPECIFIED, ARE 50V, 10%.
3. COMPONENTS MARKED ARE SAFETY CRITIAL PARTS.

Other manuals for NAD T744

Related product manuals