EasyManua.ls Logo

NAD T748 - Page 39

NAD T748
122 pages
Print Icon
To Next Page IconTo Next Page
To Next Page IconTo Next Page
To Previous Page IconTo Previous Page
To Previous Page IconTo Previous Page
Loading...
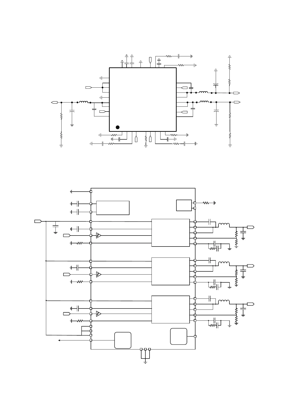
TPS65251
GND
VIN
LX3
VIN
LX3
GND
BST3
VIN3
EN3
1BF
1SS
CNYS
1PMC
CSOR
1MILR
3PMC
3MILR
3BF
3SS
LX2
BST2
LX1
VIN2
LX2
EN2
VIN1
EN1
LX1
BST1
2PMC
DNG
2BF
P_WOL
2SS
V7V
DNGA
DOOGP
V3V
V1
VIN1
VIN
V3
VIN3
VIN
VIN2
2MILR
V2
3BF
FB3
1BF
FB1
FB2
2BF
OSC
EN3
12V DC Supply
from enable logic
INTERNAL
VOLTAGE RAILS
V3V
V7V
Vout BUCK1
LX1
LX1
FB1
COMP1
BST1
BUCK1
Vout BUCK2
LX2
LX2
FB2
COMP2
BST2
BUCK2
Vout BUCK3
LX3
LX3
FB3
COMP3
BST3
BUCK3
EN2
from enable logic
EN1
from enable logic
SS2
SS1
SS3
VIN1
VIN2
VIN3
Rlim1
ROSC
AGND
PG
Generator
PGOOD
SYNC
Rlim2
Rlim3
PFM mode
LOW_P
VIN
GND
FUNCTIONAL BLOCK DIAGRAM
IC BLOCK DIAGRAMS
2-27

Related product manuals