EasyManua.ls Logo

NADAMOO E3000 - Page 12

NADAMOO E3000
50 pages
Print Icon
To Next Page IconTo Next Page
To Next Page IconTo Next Page
To Previous Page IconTo Previous Page
To Previous Page IconTo Previous Page
Loading...
4
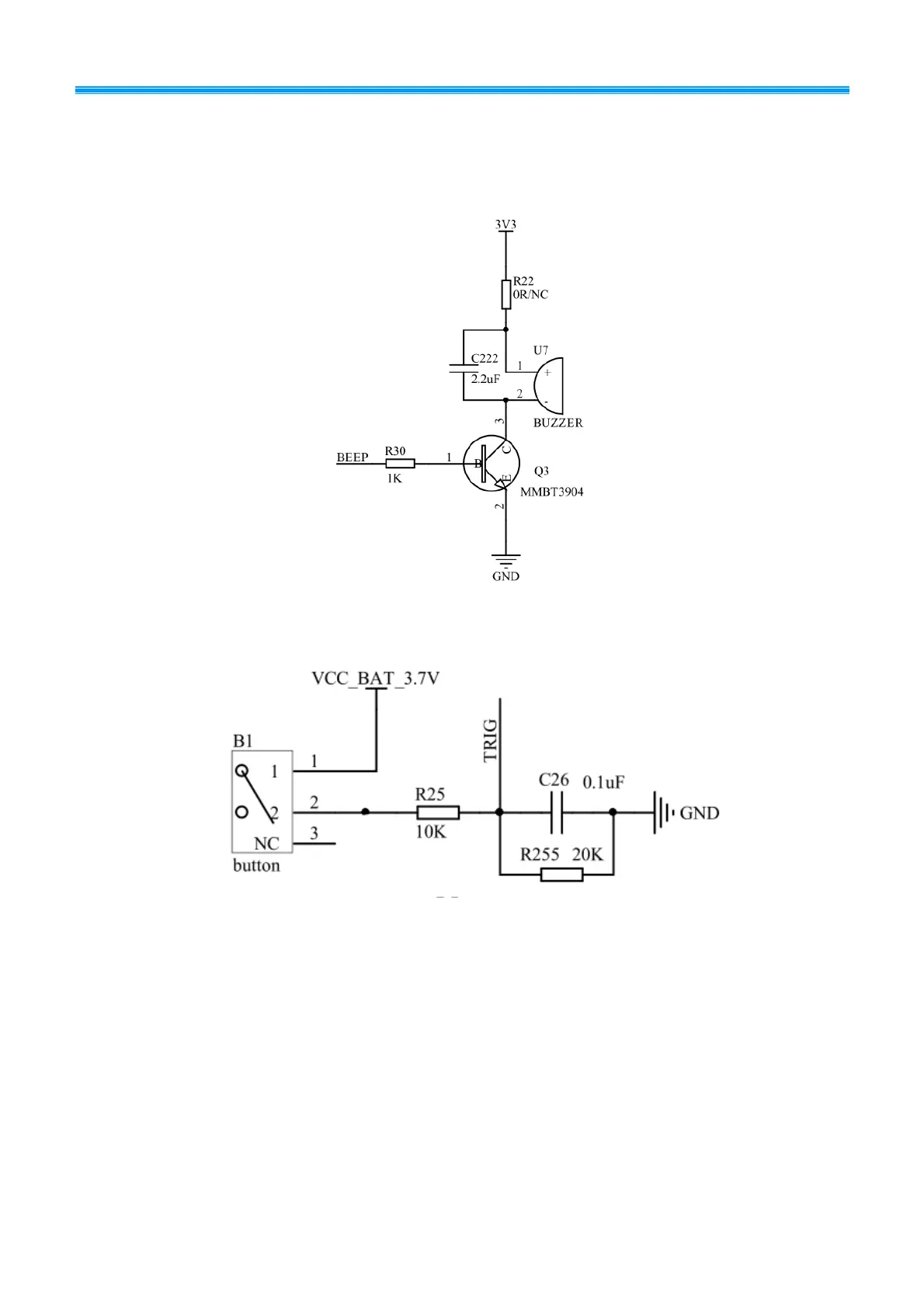
1.6 Peripheral circuit diagram
1.6.1 buzzer
1.6.2 button

Related product manuals