EasyManua.ls Logo

NAPCO SLE-LTEV-CFB - Wiring Diagram for BACKUP Reporting Configuration GEM-816; GEM-P1632; GEM-P1664, Freedom F-64 Control Panels

NAPCO SLE-LTEV-CFB
20 pages
Print Icon
To Next Page IconTo Next Page
To Next Page IconTo Next Page
To Previous Page IconTo Previous Page
To Previous Page IconTo Previous Page
Loading...
16 StarLink
SLE-LTE Commercial Series Alarm Communicators -- Installation Instructions
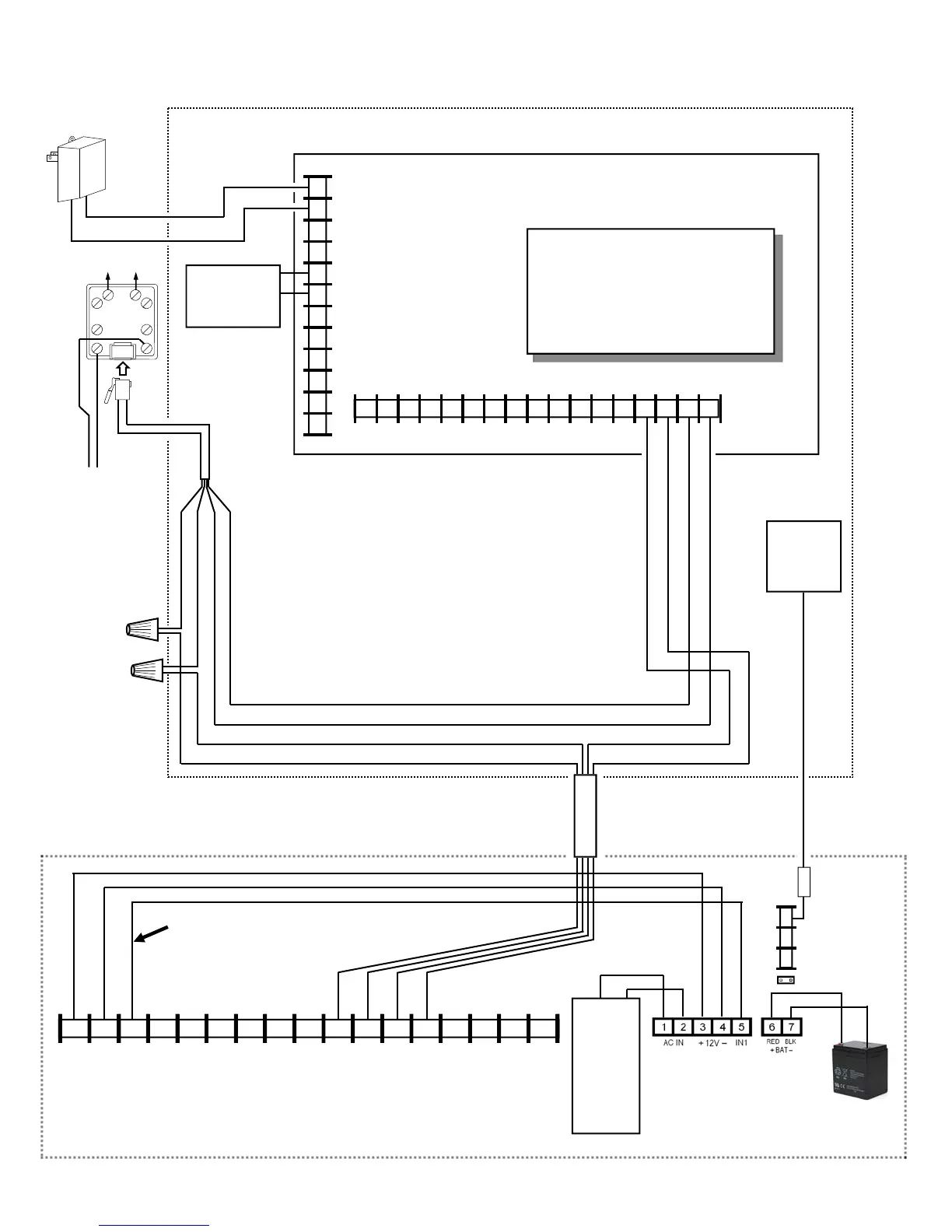
Wiring Diagram for BACKUP Reporting Configuration
GEM-816 / GEM-P1632 / GEM-P1664, Freedom F-64 Control Panels
(+)
(–)
AUX POWER
GRN
RED
BRN
GRAY
(CONTROL PANEL HOUSING)
1
2
3
4
5
6
7
8
9
10
11
12
13 14 15 16 17 18 19 20 21 22 26 27 28 29 23 24 25
GRAY
BRN
BLACK
YELLOW
Control Panel PC Board
TIP RING TIP RING
TELCO PHONE
16
VAC
*For StarLink mod-
ule terminals 1 and
2: May be wired
directly to Aux
Power of the con-
trol panel when
71mA standby
current is available.
HOME
PHONES
TO TELCO
RJ31X
RING TIP
Summary of connections:
 RJ31X RED to StarLink module 10
 RJ31X GREEN to StarLink module 11
 RJ31X BROWN to Panel 28
 RJ31X GRAY to Panel 29
 Panel 27 to StarLink module 12
 Panel 26 to StarLink module 13
GRN
BLACK
RED
YELLOW
BRN
BRN
GRAY
GRAY
Optional: When Power
Supply SLE-ULPS-R is not
used, connect Panel Aux
Power to StarLink terminals
1 and 2 (observing polarity)
GRN
RED
YELLOW
BLACK
StarLink
BATTERY
(+)
RED
(–)
BLACK
*Refer to section "SUPPLYING POWER".
6 7 8 15 14 13 12 11 9 10 2* 3 4 5 1*
+V
()
PGM1 PGM2 PGM3 IN1 IN2 GND IN3 RING TIP
17 16
RTS
(R)
PANEL
TX (B)
PANEL
RX (G)
CTS
Y
StarLink Radio Terminals
PANEL
RING (+)
PANEL
TIP (–)
(STARLINK RADIO HOUSING)
Power Supply (SLE-ULPS-R)
Either the
TRF12/T123
(16.5V /
20VA)
transformer
or the chas-
sis-mounted
16.5VAC /
20VA
transformer
(optional)
8 9 10
N/C
COM
N/O
J2
16VAC
Transformer
TELCO QUAD WIRE
2.2K
ZONE (+)
DEDICATED
TO
SUPERVISION
Wire to dedicated zone on the
control panel for Supervision
when the Power Supply board
(SLE-ULPS-R) is not used.
SLE-LTEV-CB-TF PC Board: All connections are pow-
er limited except AC Mains, Telco and battery termi-
nals. Terminals 14-17: No connections permitted.
Note: Connect IN2 to
a panel output used for
identifying Telco line
cut (this is the DACT
interconnect wiring to
the radio).