EasyManua.ls Logo

National Instruments PCI-6281 - Page 242

National Instruments PCI-6281
298 pages
Print Icon
To Next Page IconTo Next Page
To Next Page IconTo Next Page
To Previous Page IconTo Previous Page
To Previous Page IconTo Previous Page
Loading...
© National Instruments | B-17
M Series User Manual
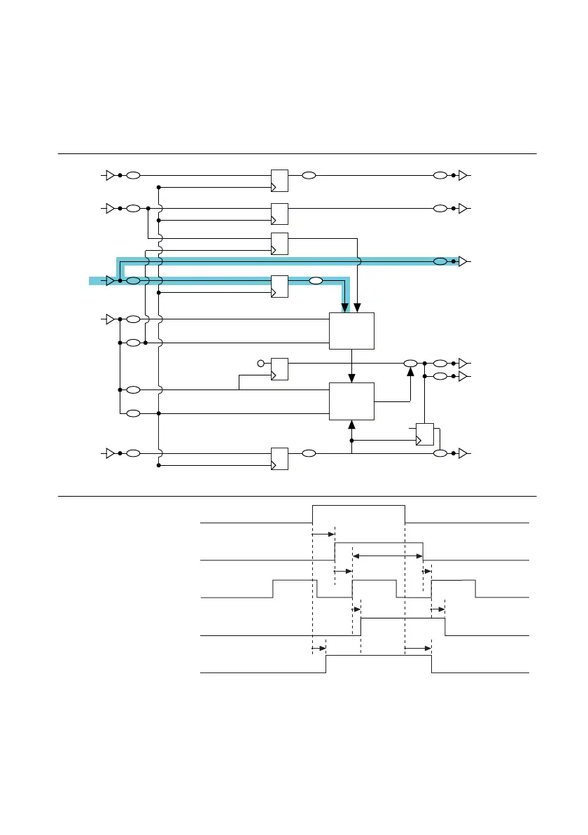
Pause Trigger
The Pause Trigger signal can be used to pause the acquisition any time the signal deasserts. It is
generated from internal or external sources. A multiplexer selects a signal from the _i bus; its
output is called Selected Pause Trigger.
Figure B-18. Pause Trigger and the Analog Input Timing Engine
Figure B-19. Pause Trigger Timing Diagram
Start Trigger
Terminal
Selected Reference Trigger
Reference Trigger
Terminal
Terminal
Selected Sample Clock
Terminal
Terminal
Terminal
Selected Start Trigger
RTSI
Terminal
Terminal
Terminal
Selected Pause Trigger
SI
Counter
Block
SI2
Counter
Block
SI_TC
Sample Clock Timebase
Sync Sample Clock Timebase
Convert Clock Timebase
Sync Convert Clock Timebase
SI Start
SI2_TC
p_AI_Convert
Start
1
Pause Trigger
_i
POUT
Selected Pause Trigger
Sync Convert Clock Timebase
Pause Trigger
t
34
t
36
t
37
t
37
t
37
t
35
t
35
t
38

Table of Contents

Related product manuals