EasyManua.ls Logo

National Instruments PXI-7842 - Page 21

National Instruments PXI-7842
71 pages
Print Icon
To Next Page IconTo Next Page
To Next Page IconTo Next Page
To Previous Page IconTo Previous Page
To Previous Page IconTo Previous Page
Loading...
Chapter 2 Hardware Overview of the NI 78xxR
R Series Multifunction RIO User Manual 2-2 ni.com
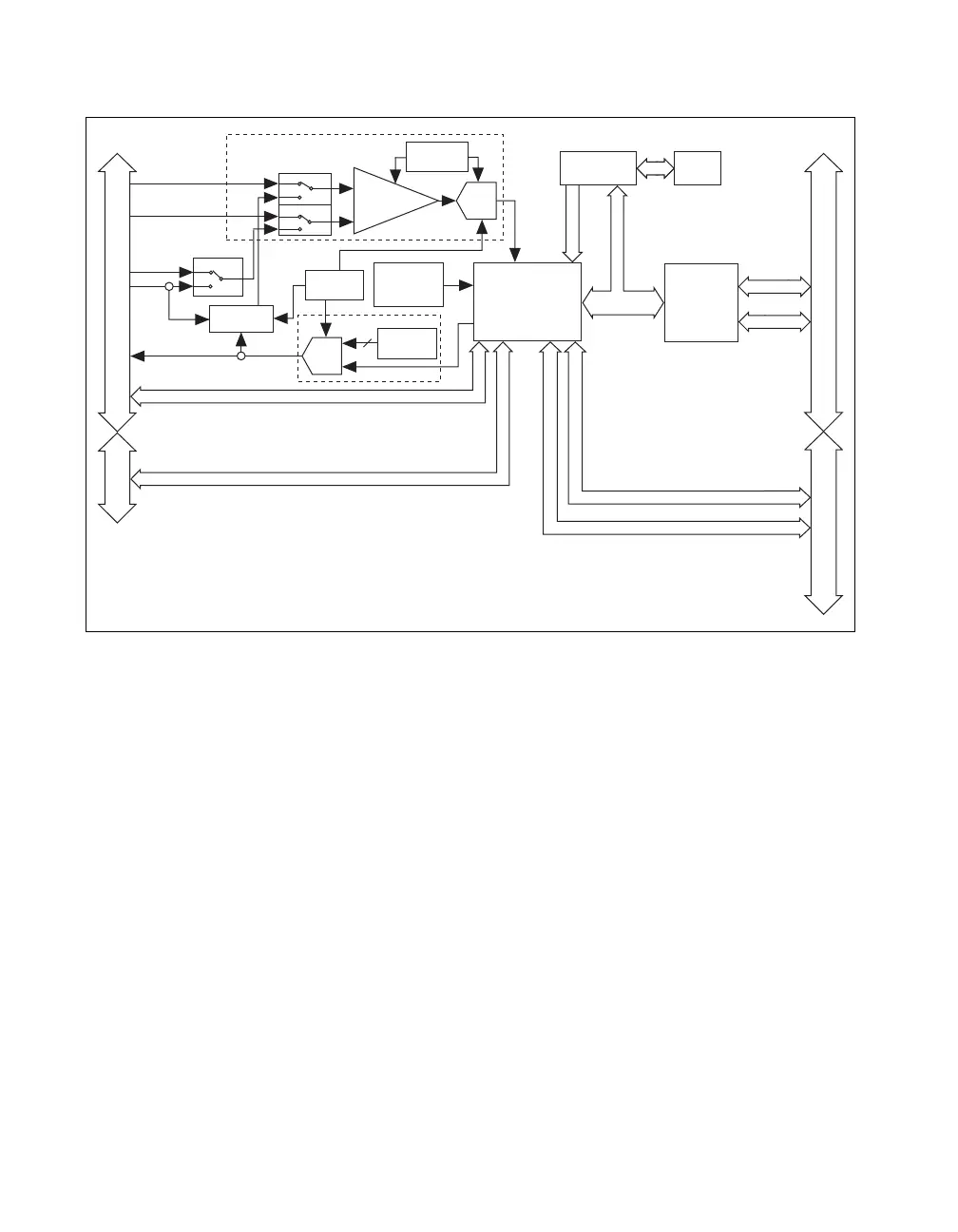
Figure 2-2. NI 7830R Block Diagram
RTSI/PXI Triggers
PXI Local Bus (NI PXI-7830R only)
Connector 0 (MIO)
Connector 1 (DIO)
Input Mode Mux
AISENSE
AIGND
Calibration
Mux
Voltage
Reference
Temperature
Sensor
Calibration
DACs
2
x4 Channels
16-Bit
DAC
Digital I/O (16)
User-
Configurable
FPGA on RIO
Devices
Bus
Interface
Data/Address/
Control
Control
Address/Data
Flash
Memory
Configuration
Control
Configuration
PCI/PXI/CompactPCI Bus
16-Bit
ADC
Calibration
DACs
Input Mux
Digital I/O (40)
RTSI Bus
x4 Channels
Instrumentation
Ampliflier
AI–
AI+
+

Table of Contents

Related product manuals