EasyManua.ls Logo

NEC VT490 - Adjusting Picture Size and Position; Adjusting the Tilt Foot

NEC VT490
268 pages
Print Icon
To Next Page IconTo Next Page
To Next Page IconTo Next Page
To Previous Page IconTo Previous Page
To Previous Page IconTo Previous Page
Loading...
15
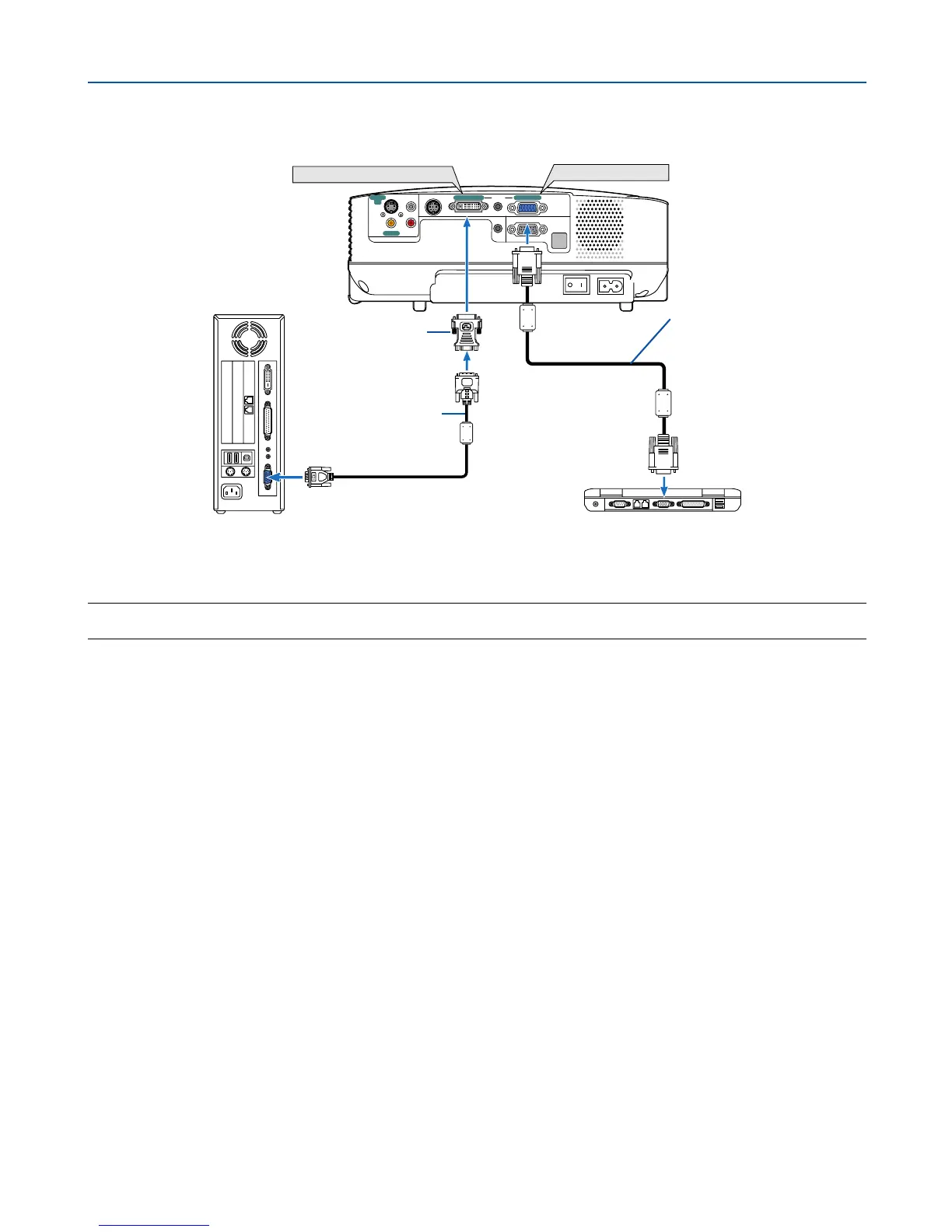
Using Two Analog COMPUTER Inputs Simultaneously (VT695/VT595)
If you need to use two analog COMPUTER inputs simultaneously, connect a VGA signal cable as shown below.
AUDIO OUT
AUDIO IN
MONITOR OUT (COMP 1)
COMPUTER 1 IN
COMPUTER 2 (DVI-I) IN
AUDIO IN
S-VIDEO
IN
VIDEO IN
PC CTRL
L
R
COMPUTER 1 IN
COMPUTER 2 (DVI-I) IN
VGA signal cable
(supplied)
IBM PC or Compatibles (Notebook type)
or Macintosh (Notebook type)
IBM PC or Compatibles (Desktop
type) or Macintosh (Desktop type)
VGA signal cable (not
supplied)
DVI to VGA adapter
(supplied)
2. Installation and Connections
NOTE: When the DVI to VGA adapter is not to be used for an extended period of time, remove it from the projector. Failure to do
so may cause damage to the connector of the projector.

Table of Contents

Other manuals for NEC VT490

Related product manuals