EasyManua.ls Logo

NEC VT59 - Connecting an External Monitor

NEC VT59
268 pages
Print Icon
To Next Page IconTo Next Page
To Next Page IconTo Next Page
To Previous Page IconTo Previous Page
To Previous Page IconTo Previous Page
Loading...
16
2. Installation and Connections
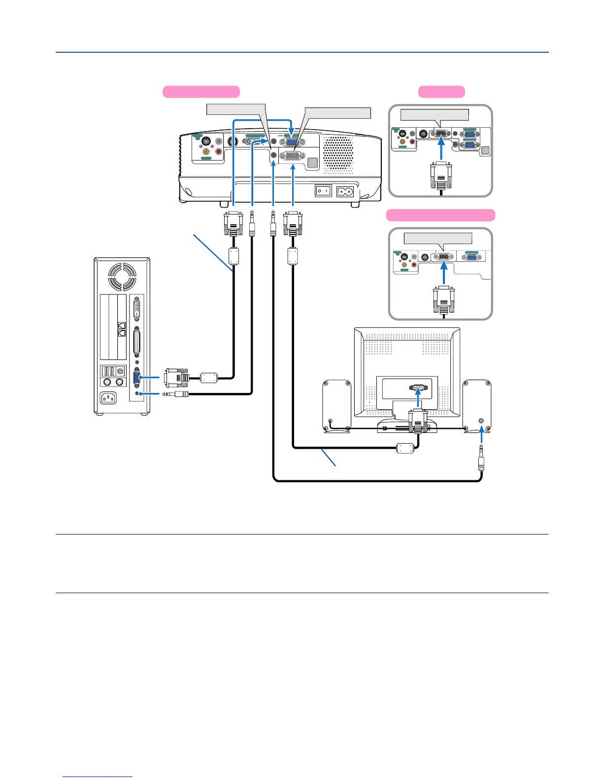
Connecting an External Monitor
You can connect a separate, external monitor to your projector to simultaneously view on a monitor the RGB analog
image you're projecting.
NOTE:
Daisy chain connection is not possible.
The signal from the COMPUTER 2 IN connector cannot be output from the MONITOR OUT connector on VT695/VT595/VT491.
When the DVI Digital signal is selected, no signals will be output from the MONITOR OUT connector on VT695 and VT595.
The VT590/VT59/VT49 do not have the AUDIO OUT connector.
AUDIO
IN
AUDIO OUT
AUDIO IN
MONITOR OUT (COMP 1)
COMPUTER 1 IN
COMPUTER 2 (DVI-I) IN
AUDIO IN
S-VIDEO
IN
VIDEO IN
PC CTRL
L
R
MONITOR OUT
L
COMPUTER IN
MONITOR OUT
AUDIO IN
S-VIDEO
IN
VIDEO IN
PC CONTROL
R
MONITOR OUT
AUDIO OUT
AUDIO OUT
AUDIO IN
COMPUTER 2 IN
COMPUTER 1 IN
MONITOR OUT(COMP 1)
AUDIO IN
S-VIDEO
IN
VIDEO IN
PC CONTROL
L
R
R
MONITOR OUT
VGA signal cable (supplied)
VGA signal cable (not supplied)
VT695/VT595 VT491
VT590/VT59/VT49

Table of Contents

Other manuals for NEC VT59

Related product manuals