EasyManua.ls Logo

Necta KORO Fresh Brew - Page 96

Default Icon
100 pages
Print Icon
To Next Page IconTo Next Page
To Next Page IconTo Next Page
To Previous Page IconTo Previous Page
To Previous Page IconTo Previous Page
Loading...
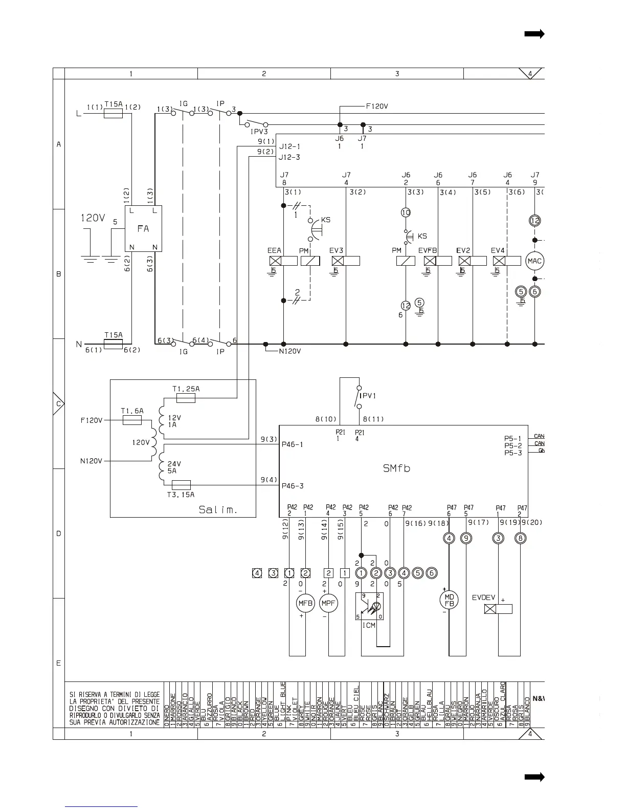
Sx44200
N&W GLOBAL VENDING S.P.A.
Koro FB
UL 120V

Table of Contents