EasyManua.ls Logo

Necta Snakky - Page 38

Necta Snakky
49 pages
Print Icon
To Next Page IconTo Next Page
To Next Page IconTo Next Page
To Previous Page IconTo Previous Page
To Previous Page IconTo Previous Page
Loading...
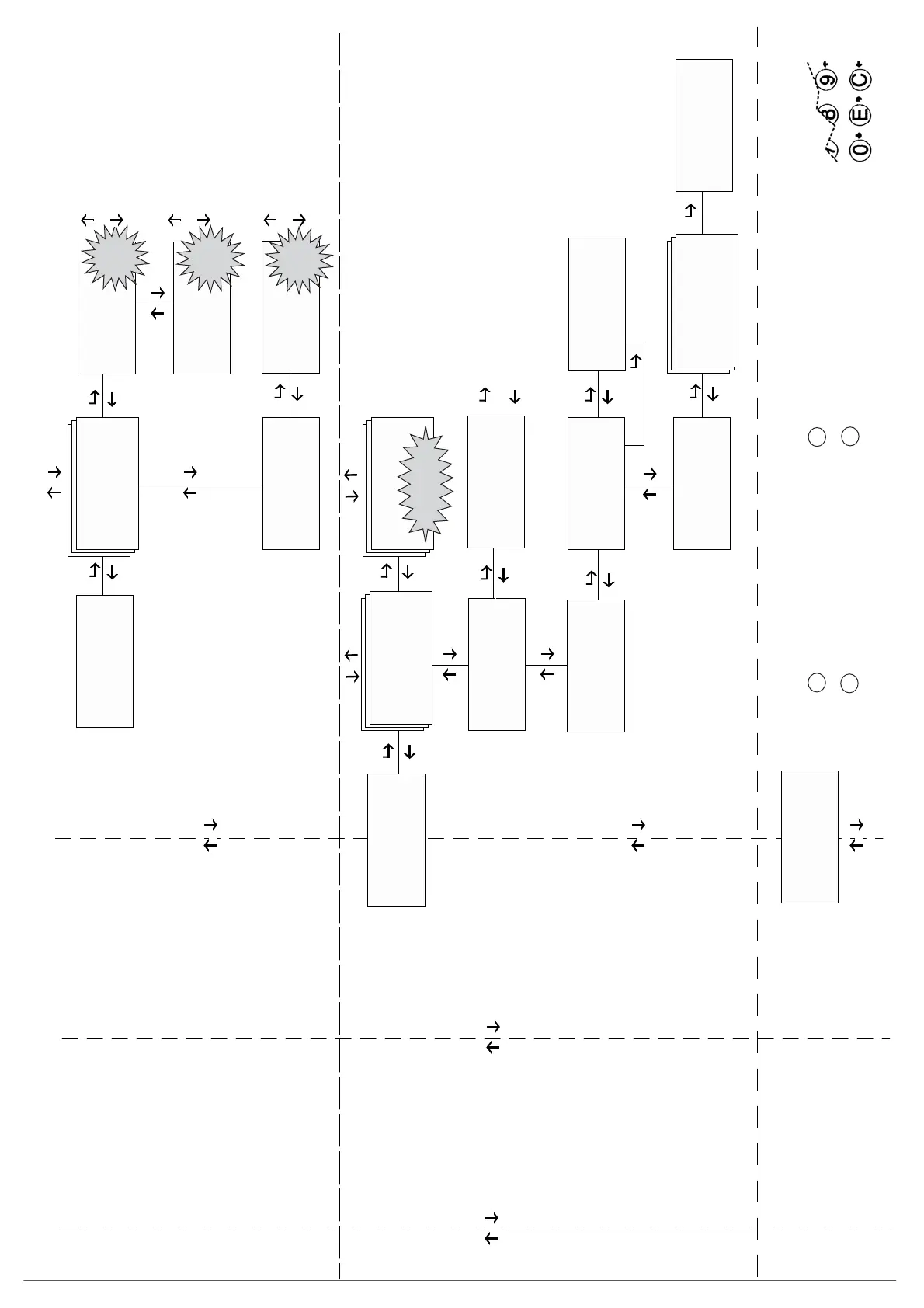
Technician menu - Summary
X+1
X-1
X+1
X-1
X+1
X-1
ON (Вкл.)
OFF(Выкл.)
##
##
##
TECH>2.1.1.3 TECH>2.1.1.3.1 Date dd/##
Time bands Set date time Year
Time: hh/**
Time:
TECH>2.1.1.3.2 Start: hh/
Time band 1-4 End: hh/
TECH>2.1.2 TECH>2.1.2.1 Coin mech type
Coin
mech mechanisms
Set coin mechanisms Тип монетоприем.
TECH>2.1.2.2 Immediate change
Immediate change ON/OFF
TECH>2.1.2.3 TECH>2.1.2.3.1 Fill tubes
Tube control Fill tubes Credit: #####
TECH>2.1.2.3.2 Release tubes Release tubes
Release tubes Tube A-X Working
TECH>2.1.3
Decimal point
Coin mech
Монетоприемник
NEXT FUNCTION (СЛУДУЮЩАЯ ФУНКЦИЯ)/
INCREASE DATA UNIT (МОДУЛЬ УВЕЛИЧЕНИЯ
ДАННЫХ) (+1)
CONFIRM DATA (ПОДТВЕРЖДЕНИЕ ДАННЫХ)/
CONFIRM FUNCTION (ФУНКЦИЯ ПОДТВЕРЖДЕНИЯ)
PREVIOUS FUNCTION (ПРЕДЫДУЩАЯ ФУНКЦИЯ)/
DECREASE DATA UNIT (МОДУЛЬ УМЕНЬШЕНИЯ
ДАННЫХ) (-1)
DELETE DATA (УДАЛЕНИЕ ДАННЫХ)/
EXIT FUNCTION (ФУНКЦИЯ ВЫХОДА)
9
C
O
E
TECH > 2.1.1.3 TECH > 2.1.1.3.1 Дата дд/##
Временные интервал
ы Уст. даты и времени Год
Время: чч/**
Время:
TECH > 2.1.1.3.2 Начало: чч/
Вре
менной интервал 1-4
Завешение: чч/
TECH > 2.1.2 TECH > 2.1.2.1
Механизмы монетоприем.
Установка монетоприем.
TECH > 2.1.2.2 Немедленная оплата
Немедленная оплата ВКЛ/ВЫКЛ
TECH > 2.1.2.3 TECH > 2.1.2.3.1 Заполнение трубок
Управлен. трубками Заполнение трубок Кредит: #####
TECH > 2.1.2.3.2 Опорожнение трубок Опорожнение трубок
Опорожнение трубок Трубка A - X Выполнение
TECH > 2.1.3
Десятичная точка
ЧАСЫ
При подтверждении
мигающих значений:
день, месяц, год и день
недели вводятся одно
после другого.
При подтверждении
отображаются день
недели, часы и минуты,
которые затем могут
быть изменены
и подтверждены.
ВРЕМЕННЫЕ ИНТЕРВАЛЫ
При подтверждении
мигающих значений,
часы и минуты начала
и конца диапазона времени
вводятся одно за другим.
Если значения начала
и конца установлены
на 00.00, то интервал
времени является
деактивированным.
ДОСТУПНЫЕ
МЕХАНИЗМЫ
МОНЕТОПРИЕМНИКА
Устройства проверки
Executive - платежная
система
BDV
Ручное изменение
заполнения трубок
Ручное опорожнение
трубок
NECTA VENDING SOLUTION SpA 36 0204 180-01

Related product manuals