EasyManua.ls Logo

Necta Snakky - Page 46

Necta Snakky
49 pages
Print Icon
To Next Page IconTo Next Page
To Next Page IconTo Next Page
To Previous Page IconTo Previous Page
To Previous Page IconTo Previous Page
Loading...
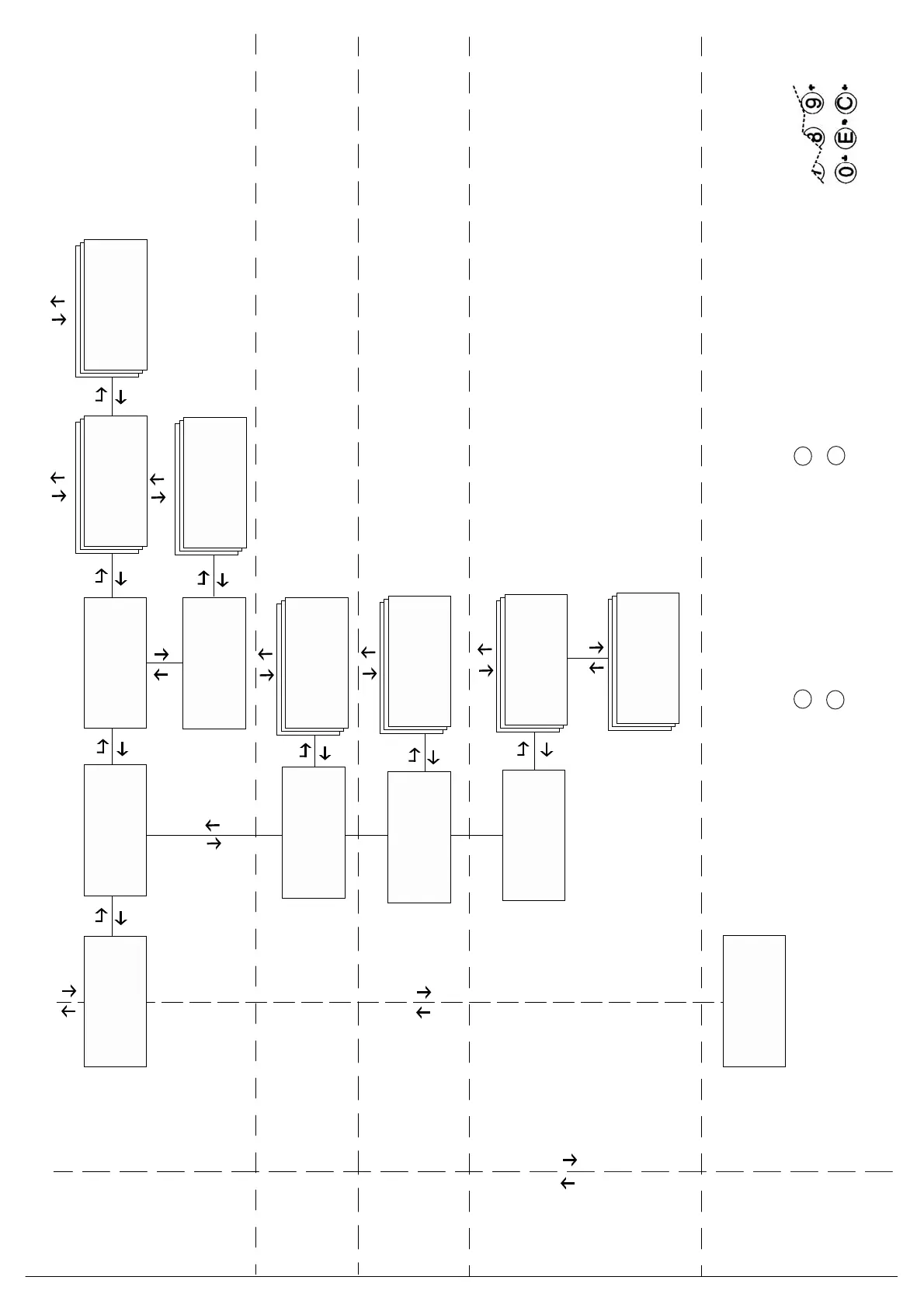
Technician menu - Summary
TECH>3.3 TECH>3.3.1 TECH>3.3.1.1 TECH>3.3.1.1 Selection ##
Display relative stats Display sel. counter Display single counter Selection ## Band # = ####
TECH>3.3.1.2 Selection ##
Display total counter Tot. = ###
TECH>3.3.2 Band 0-4
Count. by time bands Counter = ###
TECH>3.3.3 Compressor
Display failures Counter = ###
TECH>3.3.4 TECH>3.3.4.1
Display coin mech data Display Audit data
TECH>3.3.4.2
Display cash counter
TECH>3.4
Del. relative stats
TECH>3.3 TECH>3.3.1 TECH>3.3.1.1 TECH>3.3.1.1 Вар. выбора ##
Отоб. отн. статис. Отоб. счет. вар. выб. Отоб. счет. одн. выб. Вар. выбора ## Диапазон # = ####
TECH>3.3.1.2 Вар. выбора ##
Отоб.счет.итог.выб. Итог. = ###
TECH>3.3.2 Диапазон 0-4
Счет. по врем. интерв. Счетчик = ###
TECH>3.3.3 Компрессор
Просмотр отказов Счетчик = ###
TECH>3.3.4 TECH>3.3.4.1
Отоб. данных м-прием. Отоб. аудит-данных
TECH>3.3.4.2
Отоб. счет. нал. (оплат.)
TECH>3.4
Удал. отн. статис.
NEXT FUNCTION (СЛУДУЮЩАЯ ФУНКЦИЯ)/
INCREASE DATA UNIT (МОДУЛЬ УВЕЛИЧЕНИЯ
ДАННЫХ) (+1)
CONFIRM DATA (ПОДТВЕРЖДЕНИЕ ДАННЫХ)/
CONFIRM FUNCTION (ФУНКЦИЯ ПОДТВЕРЖДЕНИЯ)
PREVIOUS FUNCTION (ПРЕДЫДУЩАЯ ФУНКЦИЯ)/
DECREASE DATA UNIT (МОДУЛЬ УМЕНЬШЕНИЯ
ДАННЫХ) (-1)
DELETE DATA (УДАЛЕНИЕ ДАННЫХ)/
EXIT FUNCTION (ФУНКЦИЯ ВЫХОДА)
9
C
O
E
ОТНОСИТЕЛЬНАЯ СТАТИСТИКА
Просмотр продаж с помощью
однократного выбора по каждому
интервалу времени и в итоговом виде
Просмотр итоговых продаж путем
однократного выбора
ОБЩИЕ ПРОДАЖИ
по диапазону
в тестовом режиме
бесплатно
Отслеживаемые неисправности:
Компрессор
Монетоприемник
Данные RAM
Датчик
ДАННЫЕ МОНЕТОПРИЕМНИКА
(согласно используемому протоколу)
Устройства проверки и платежная
система (протокол Executive)
Оплачено и продано
Аудит BDV
Аудит MDB
NECTA VENDING SOLUTION SpA 44 0204 180-01

Related product manuals