EasyManua.ls Logo

Newmac CL86 - Page 20

Newmac CL86
41 pages
Print Icon
To Next Page IconTo Next Page
To Next Page IconTo Next Page
To Previous Page IconTo Previous Page
To Previous Page IconTo Previous Page
Loading...
19
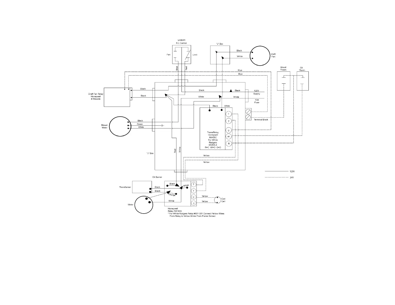
FIG. 12 - CL SERIES WIRING DIAGRAM

Related product manuals