EasyManua.ls Logo

Newmac CL86 - Page 7

Newmac CL86
41 pages
Print Icon
To Next Page IconTo Next Page
To Next Page IconTo Next Page
To Previous Page IconTo Previous Page
To Previous Page IconTo Previous Page
Loading...
6
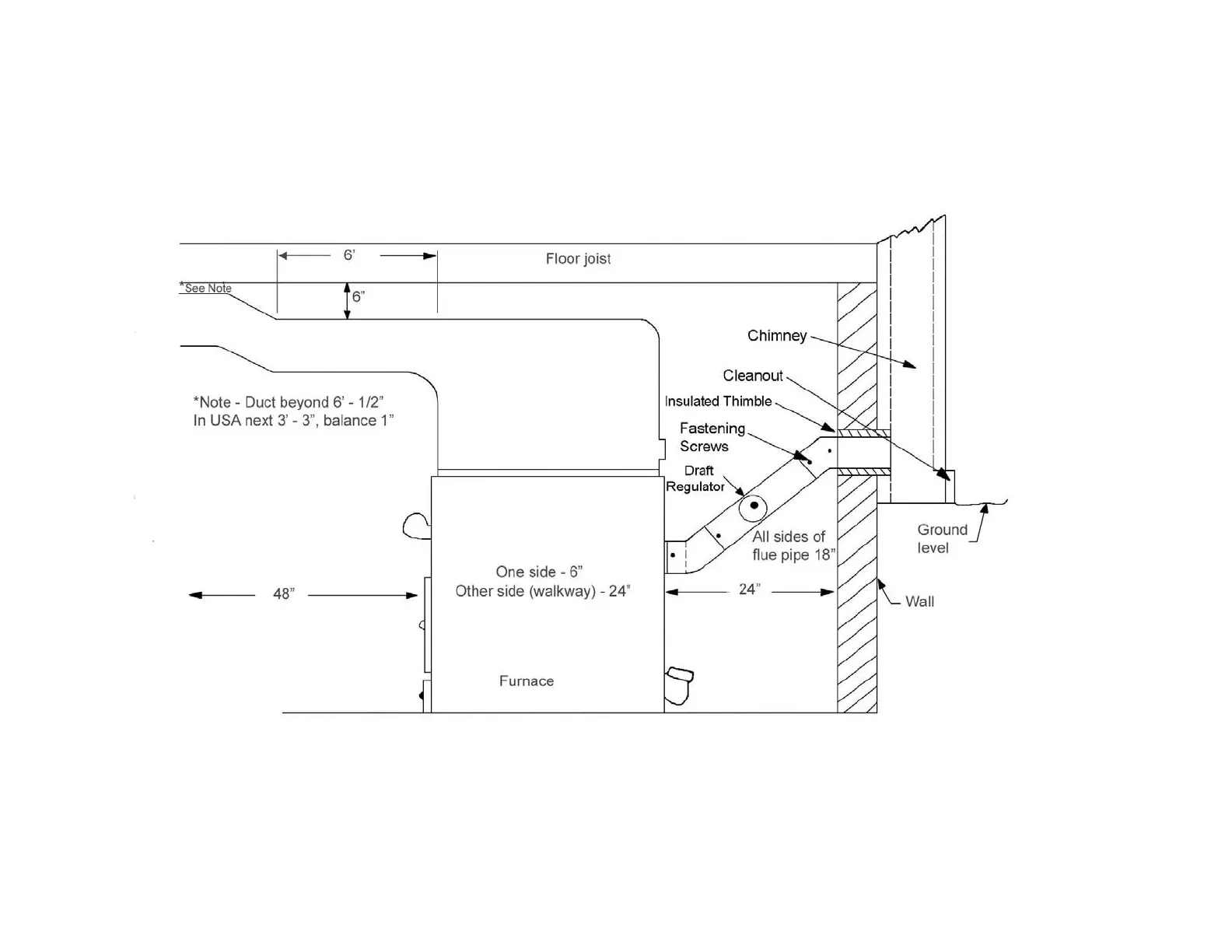
FIG. 6 - FLUE PIPE CONNECTION & MINIMUM INSTALLATION CLEARANCES

Related product manuals