EasyManua.ls Logo

NFL 2 MINUTE DRILL - FB2057 X Button Harness

Default Icon
59 pages
Print Icon
To Next Page IconTo Next Page
To Next Page IconTo Next Page
To Previous Page IconTo Previous Page
To Previous Page IconTo Previous Page
Loading...
34
To main communications extension
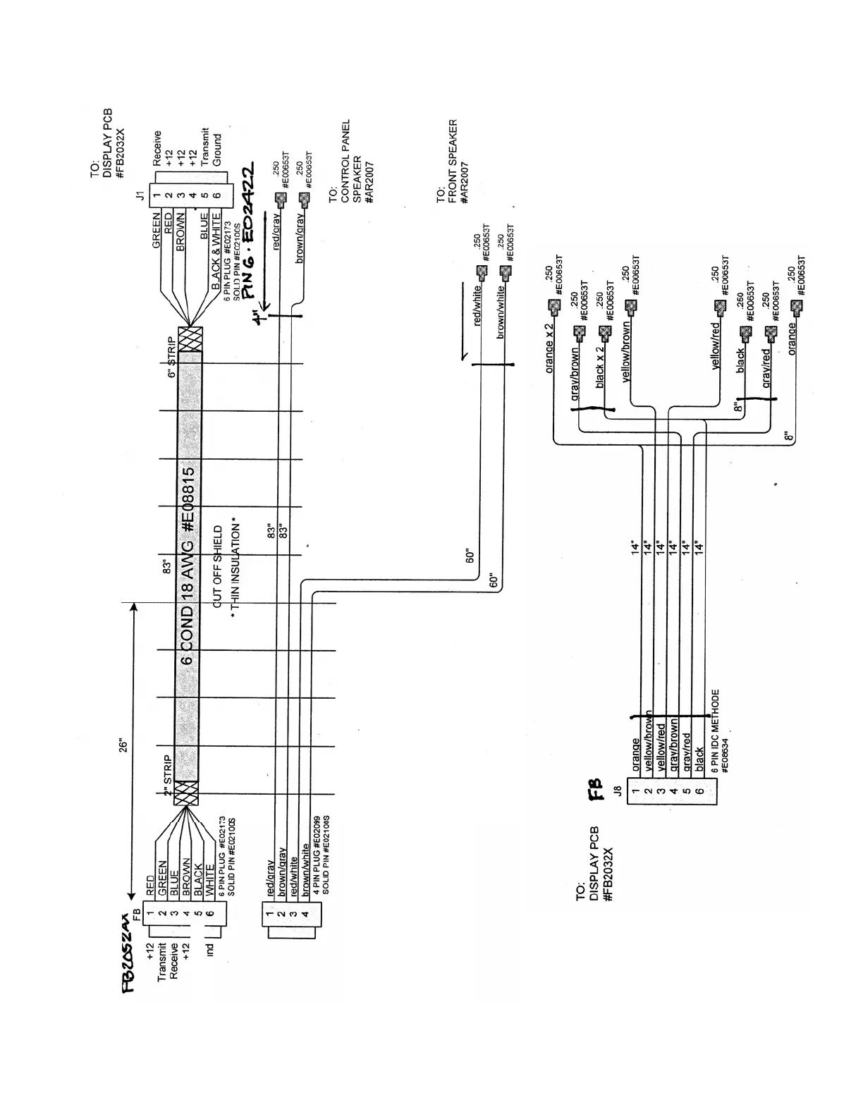
FB2052AX
To main communications extension
FB2052AX
FB2052X : Harness
FB2057X:
Button Harness
To control panel buttons