EasyManua.ls Logo

NI 6321 - Page 57

Default Icon
277 pages
Print Icon
To Next Page IconTo Next Page
To Next Page IconTo Next Page
To Previous Page IconTo Previous Page
To Previous Page IconTo Previous Page
Loading...
© National Instruments | 4-15
X Series User Manual
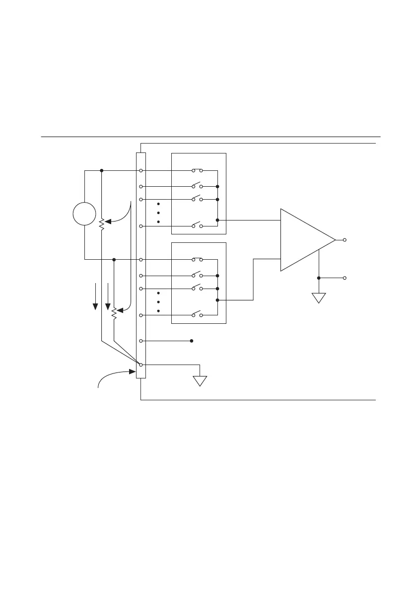
You can fully balance the signal path by connecting another resistor of the same value between
the positive input and AI GND, as shown in Figure 4-6. This fully balanced configuration offers
slightly better noise rejection, but has the disadvantage of loading the source down with the
series combination (sum) of the two resistors. If, for example, the source impedance is 2 k and
each of the two resistors is 100 k, the resistors load down the source with 200 k and produce
a -1% gain error.
Figure 4-6. Differential Connections for Floating Signal Sources
with Balanced Bias Resistors
Both inputs of the NI-PGIA require a DC path to ground in order for the NI-PGIA to work. If
the source is AC coupled (capacitively coupled), the NI-PGIA needs a resistor between the
positive input and AI GND. If the source has low-impedance, choose a resistor that is large
enough not to significantly load the source, but small enough not to produce significant input
offset voltage as a result of input bias current (typically 100 k to 1 M). In this case, connect
the negative input directly to AI GND. If the source has high output impedance, balance the
MIO X Series Device Configured in Differential Mode
PGIA
+
+
+
Floating
Signal
Source
Bias
Current
Return
Paths
AI GND
AI SENSE
Input Multiplexers
Measured
Voltage
Instrumentation
Amplifier
AI+
AI–
I/O Connector
Bias
Resistors
(see text)
V
s
V
m

Table of Contents

Related product manuals