EasyManua.ls Logo

NI 6345 - Connecting Digital I;O Signals

Default Icon
277 pages
Print Icon
To Next Page IconTo Next Page
To Next Page IconTo Next Page
To Previous Page IconTo Previous Page
To Previous Page IconTo Previous Page
Loading...
6-24 | ni.com
Chapter 6 Digital I/O
Connecting Digital I/O Signals
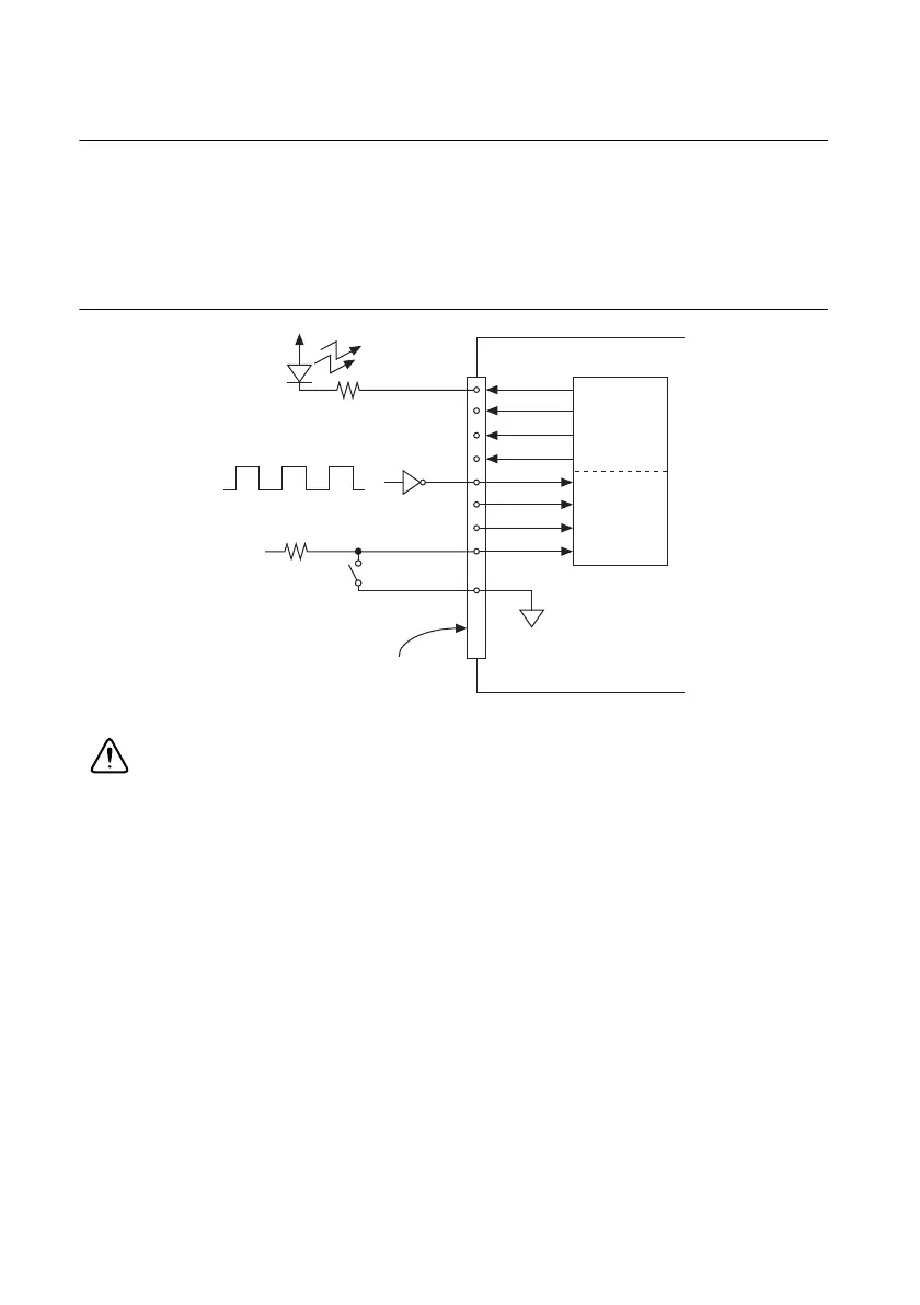
The DIO signals, P0.<0..31>, P1.<0..7>, and P2.<0..7> are referenced to D GND. You can
individually program each line as an input or output. Figure 6-16 shows P1.<0..3> configured
for digital input and P1.<4..7> configured for digital output. Figure 6-16 shows the switch
receiving TTL signals and sensing external device states and shows the LED sending TTL
signals and driving external devices.
Figure 6-16. Digital I/O Connections
Caution Exceeding the maximum input voltage ratings, which are listed in each
X Series device specifications, can damage the DAQ device and the computer. NI is
not liable for any damage resulting from such signal connections.
+5 V
LED
TTL Signal
+5 V
Switch
I/O Connector
D GND
X Series Device
P1.<0..3>
P1.<4..7>

Table of Contents

Related product manuals