EasyManua.ls Logo

Nibe SPLIT ACVM270 - Page 16

Nibe SPLIT ACVM270
64 pages
Print Icon
To Next Page IconTo Next Page
To Next Page IconTo Next Page
To Previous Page IconTo Previous Page
To Previous Page IconTo Previous Page
Loading...
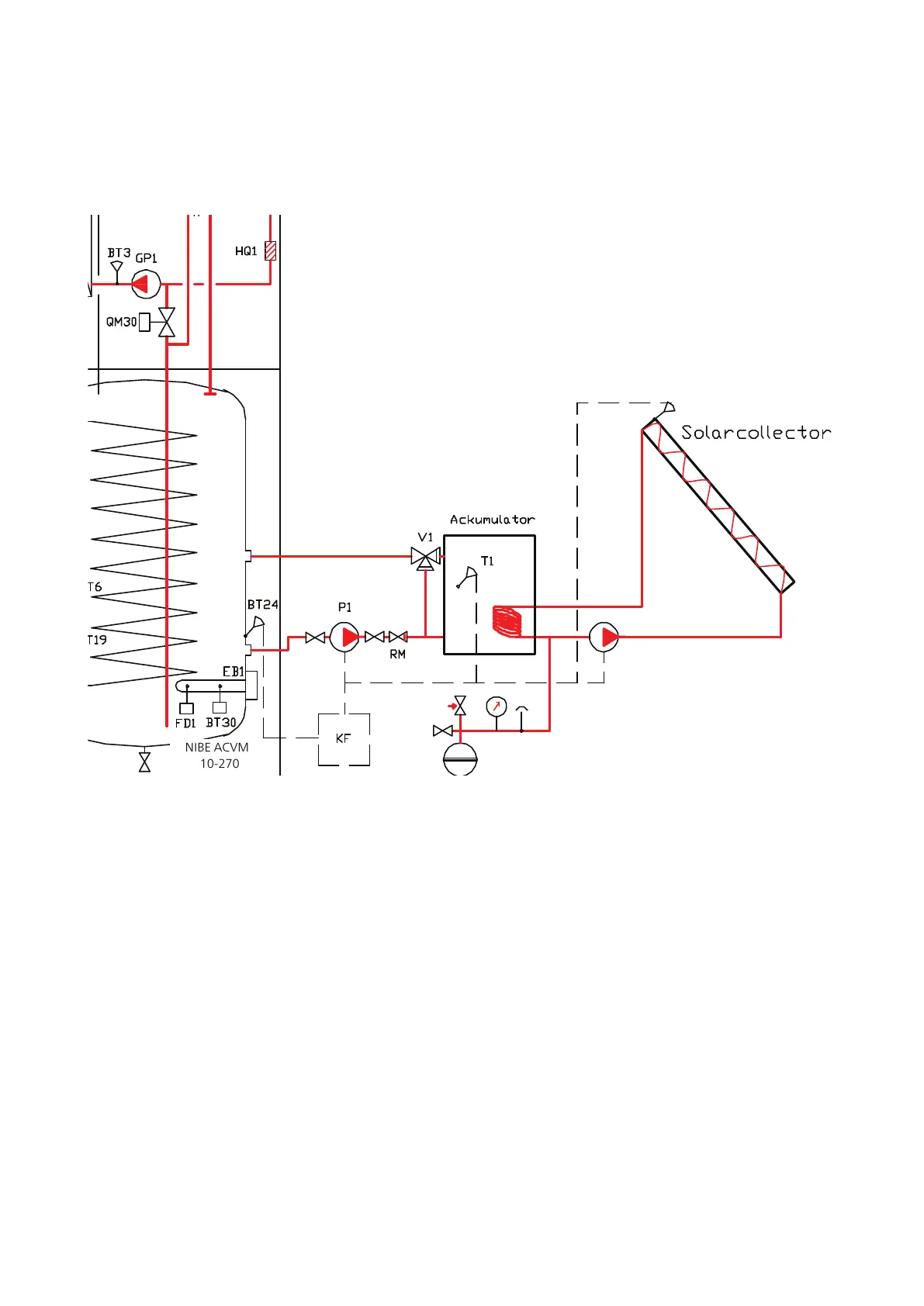
External additional heat
Sun
NIBE ACVM
10-270
Function
By connecting a solar heat collector via intermediate heat exchanger to NIBE SPLIT ACVM270, the solar heat can
produce hot water and heating for the house.
If the solar panel does not produce the necessary heat, NIBE SPLIT ACVM270 with the compressor or with internal
immersion heater heats.
The solar panel must have an external charge automatic device (KF) as follows:
Max temperature 65 °C at BT24. P1 stops.
Min temperature 55 °C at T1 for P1 to start.
V1 must limit the temperature to 65 °C.
Accumulators and primary system design are dimensioned by the boiler supplier. Ensure that there is sufficient
volume to prevent overheating.
NIBE SPLIT ACVM270Chapter 3 | System description16