EasyManua.ls Logo

Nibe SPLIT ACVM270 - Sensor Placement

Nibe SPLIT ACVM270
64 pages
Print Icon
To Next Page IconTo Next Page
To Next Page IconTo Next Page
To Previous Page IconTo Previous Page
To Previous Page IconTo Previous Page
Loading...
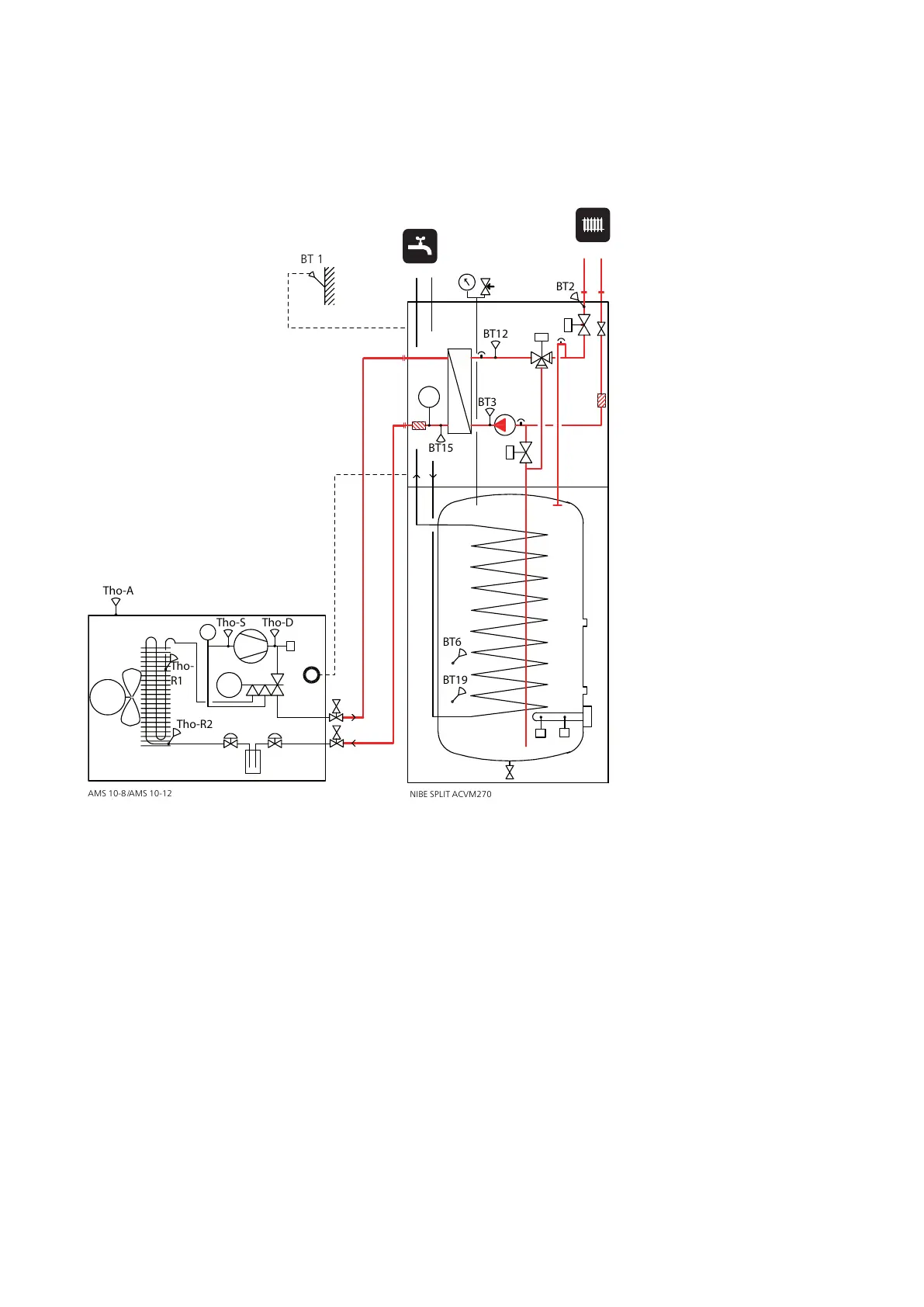
Sensor placement
BT 1
BT6
BT15
BT3
BT12
Tho-A
Tho-S
Tho-R2
Tho-
R1
Tho-D
BT2
BT19
ACVM 270AMS 10
AMS 10-8/AMS 10-12
NIBE SPLIT ACVM270
Temperature sensor, outdoor (external)BT1
Temperature sensor, flow pipeBT2
Temperature sensor, returnBT3
Temperature sensor, hot waterBT6
Temperature sensor, condenser outBT12
Temperature sensor, fluid pipeBT15
Temperature sensor, immersion heaterBT19
Temperature sensor, outdoor airTho-A
Temperature sensor, hot gasTho-D
Temperature sensor, heat exchanger outTho-R1
Temperature sensor, heat exchanger, inTho-R2
Temperature sensor, suction gasTho-S
21Chapter 3 | System descriptionNIBE SPLIT ACVM270