EasyManua.ls Logo

Nibe SPLIT ACVM270 - Page 20

Nibe SPLIT ACVM270
64 pages
Print Icon
To Next Page IconTo Next Page
To Next Page IconTo Next Page
To Previous Page IconTo Previous Page
To Previous Page IconTo Previous Page
Loading...
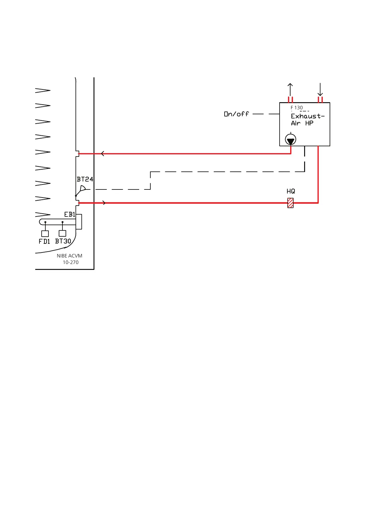
F130
NIBE ACVM
10-270
F 130
Function
By connecting F130 to NIBE SPLIT ACVM270, it can produce hot water and heat to the house.
If the heat outlet from NIBE SPLIT ACVM270 exceeds F130’s output, heat and hot water are produced by the heat
pump or internal immersion heater according to the selected operating mode.
The particle filter (HQ) must have a max. of 0.8 mm
2
stitch density.
Max. temperature from F130 must be 65 °C.
Sensors 87 and 88 from F130 must be positioned in BT24.
Recommended settings:
ECO, 60-58 °C ΔT4K
Periodic hot water increase: Off
NIBE SPLIT ACVM270Chapter 3 | System description20