EasyManua.ls Logo

Nice GDS 450LI

Nice GDS 450LI
16 pages
To Next Page IconTo Next Page
To Next Page IconTo Next Page
To Previous Page IconTo Previous Page
To Previous Page IconTo Previous Page
Loading...
Gate Drive Systems Australia
Gate Drive Systems Australia
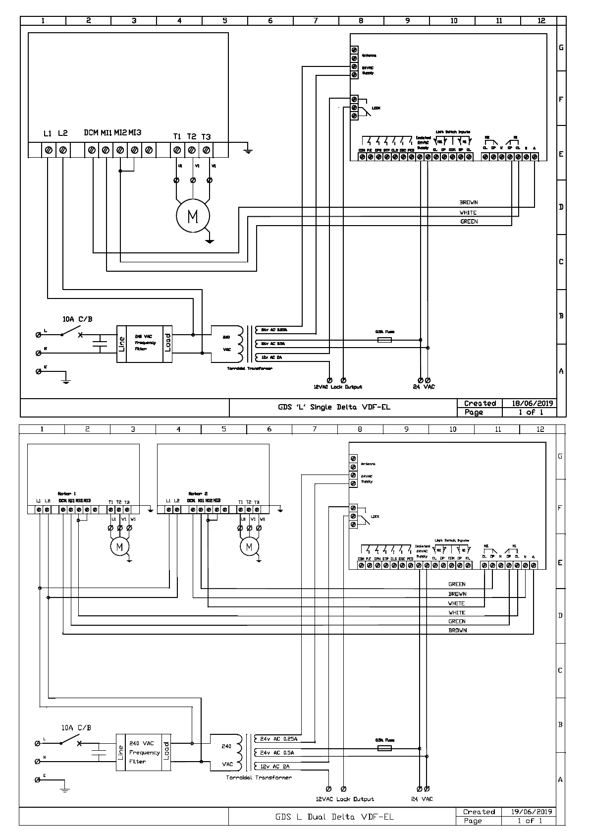
DELTA VDF-EL
ATA CB-6
DELTA VDF-EL
DELTA VDF-EL
ATA CB-6

Related product manuals