EasyManua.ls Logo

Nice UST1K

Default Icon
132 pages
Go to English
To Next Page IconTo Next Page
To Next Page IconTo Next Page
To Previous Page IconTo Previous Page
To Previous Page IconTo Previous Page
Loading...
6 – Français
FR
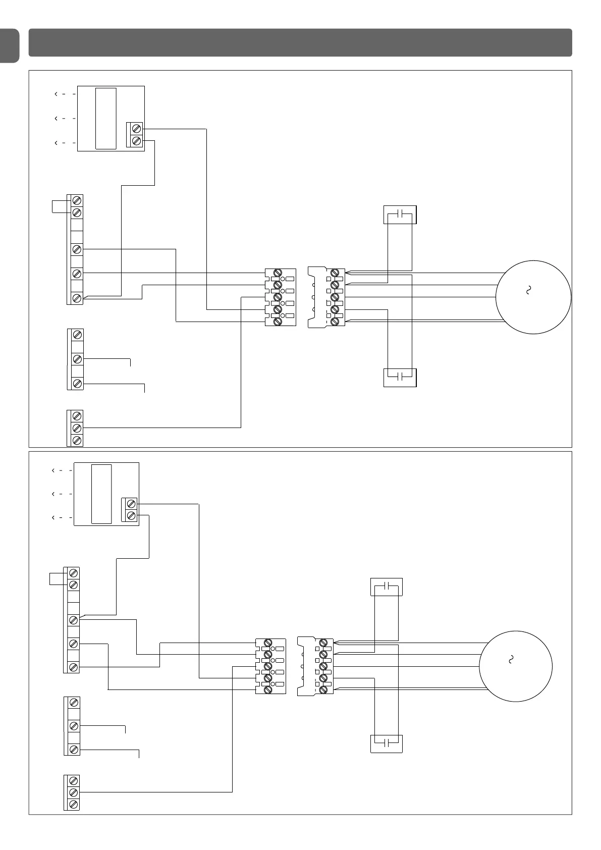
CONNEXION DU MOTEUR MONOPHASÉ
1
2
UV W
X2
1
2
3
3
20µF
16µF
1
230V
PE
X1
L1 L2 L3
Moteur
Condensateur
Condensateur
Connexion UST1K-1,1 kW carte
1
2
UV W
X2
1
2
3
3
20µF
16µF
1
230V
PE
X1
L1 L2 L3
Moteur
Connexion UST1K-2,2 kW carte
Condensateur
UST1K connexion X8
Condensateur
jaune/vert
bleu
marron
bleu
marron
bleu
marron
noir
jaune
jaune/vert
bleu
marron
bleu
marron
bleu
marron
noir
jaune
bleu
jaune/vert
jaune/vert
bleu
Entrée
1x220 V phase
Entrée
1x220 V neutre
Entrée
1x220 V phase
Entrée
1x220 V neutre
Carte supplémentaire
Câble
supplémentaire
Carte supplémentaire
Câble
supplémentaire
UST1K connexion X8

Related product manuals