EasyManua.ls Logo

Nice UST1K

Default Icon
132 pages
Go to English
To Next Page IconTo Next Page
To Next Page IconTo Next Page
To Previous Page IconTo Previous Page
To Previous Page IconTo Previous Page
Loading...
6 – Polski
PL
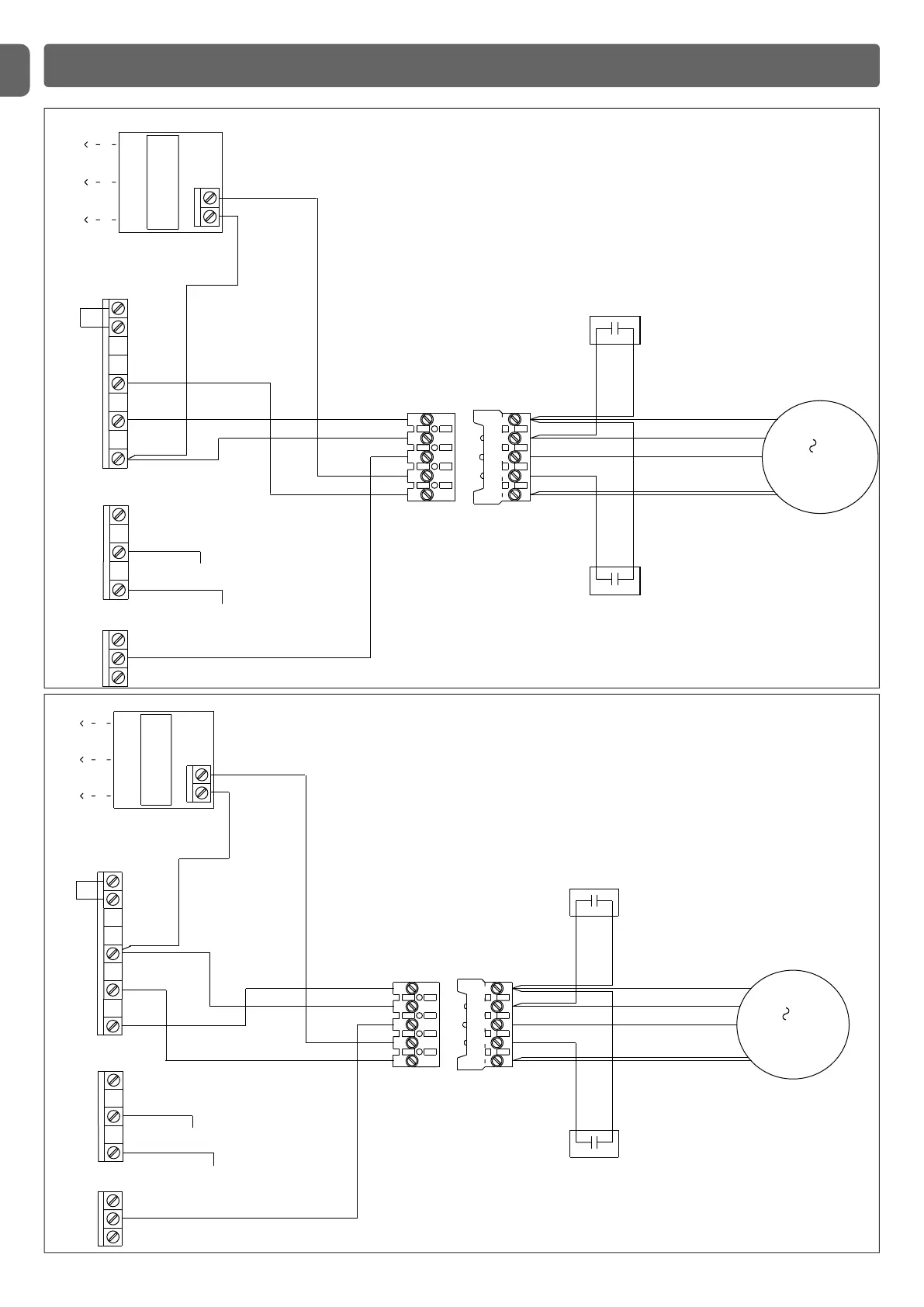
PODŁĄCZENIE SILNIKA JEDNOFAZOWEGO
1
2
UVW
X2
1
2
3
3
20µF
16µF
1
230V
PE
X1
L1 L2 L3
Silnik
Kondensator
Kondensator
Podłączenie do UST1K-1, 1kW
1
2
UVW
X2
1
2
3
3
20µF
16µF
1
230V
PE
X1
L1 L2 L3
Silnik
Podłączenie do UST1K-2,2kW
Kondensator
UST1K moduł X8
Kondensator
żółty/zielony
niebieski
brązowy
niebieski
brązowy
niebieski
brązowy
czarny
żółty
żółty/zielony
niebieski
brązowy
niebieski
brązowy
niebieski
brązowy
czarny
żółty
niebieski
żółty/zielony
żółty/zielony
niebieski
Zasilanie
1x220V faza
Zasilanie
1x220V neutralny
Zasilanie
1x220V faza
Zasilanie
1x220V neutralny
Karta dodatkowa
Przewód dodatkowy
Karta dodatkowa
Przewód dodatkowy
UST1K moduł X8

Related product manuals