EasyManua.ls Logo

nilan CTS700-TOUCH - BAH Geothermal Heater

nilan CTS700-TOUCH
64 pages
Print Icon
To Next Page IconTo Next Page
To Next Page IconTo Next Page
To Previous Page IconTo Previous Page
To Previous Page IconTo Previous Page
Loading...
40
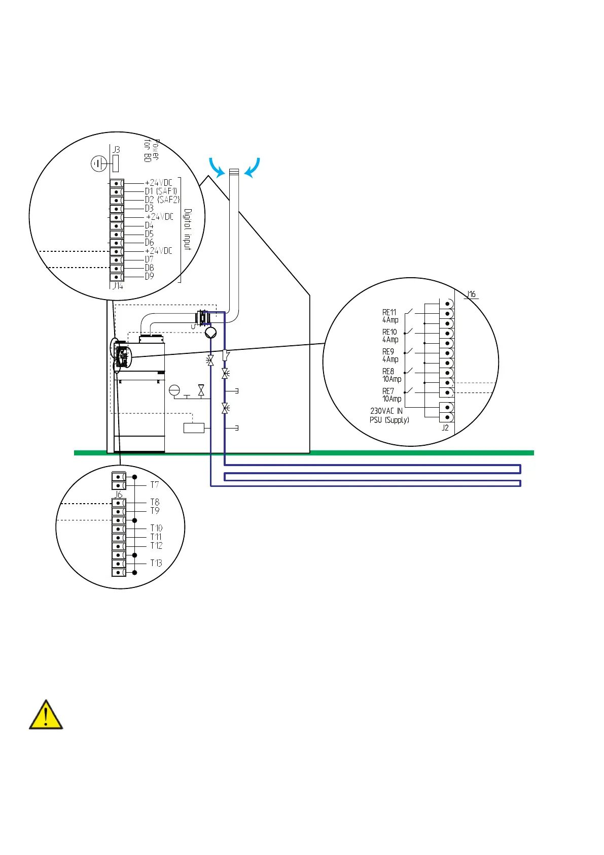
BAH Geothermal heater
A geometric preheater has two functions:
1. It acts as frost protection in the winter, heating up the outdoor air and protecting the unit against icing up.
2. It can then be used to cool down outdoor air in the summer, supplying cooled air to the home.
The heater is set on the display under: Ventilation/frost-protection or de-icing.
11. Condensation drain
12. Shut-off valves
13. Particle filter
14. Filling and drain cocks
15. Safety valve
16. Bleed screw
17. Expansion tank
18. Pressostat
19. Circulation pump
T8. Outdoor temperature sensor
ATTENTION
Circulation pump, heater and brine circuit are not supplied by Nilan.
11
12
14
14
13
12
12
19
1517
18
16
T8
Pdiff.
19
18
T8

Table of Contents

Other manuals for nilan CTS700-TOUCH

Related product manuals