EasyManua.ls Logo

nilan CTS700-TOUCH - Hot Water Tank

nilan CTS700-TOUCH
64 pages
Print Icon
To Next Page IconTo Next Page
To Next Page IconTo Next Page
To Previous Page IconTo Previous Page
To Previous Page IconTo Previous Page
Loading...
50
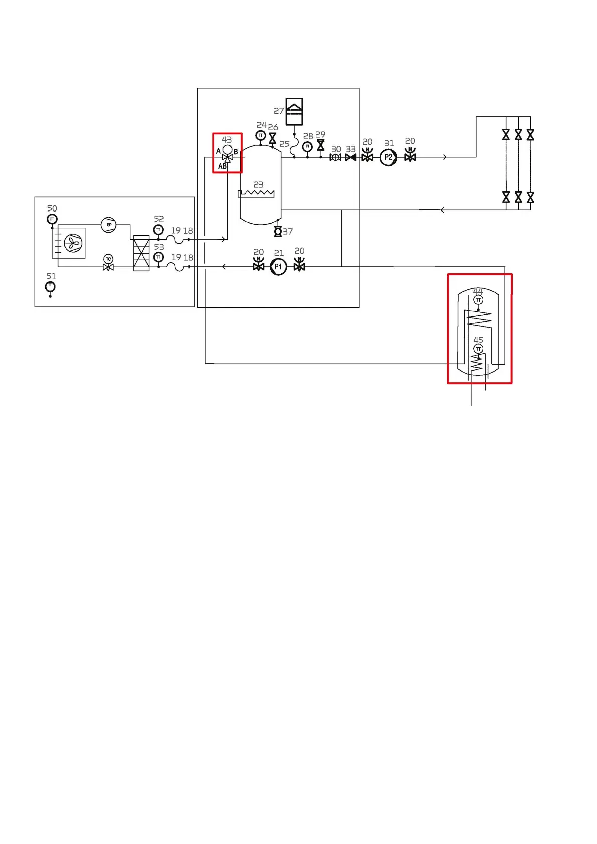
Hot water tank
The AIR unit can be connected to an external hot water tank (SHW) or to the hot water tank in the Compact P (DHW). A three-way valve,
which can be purchased as an accessory, is required.
18. Connection 1"
19. Flexible hose 1"
20. Shut-off valve
21. P1 circulation pump 130 mm
23. Electrical supplement heating 2 x 3 kW
24. Temperature sensor T18 buffer tank (supply flow)
25. Flexible hose 10 mm
26. Automatic vent 3/8"
27. Expansion tank 8 litre
28. Manometer
29. Safety valve 2,5 bar
30. Stop valve with particle filter
31. P2 circulation pump
33. Check valve 3/4"
37. Filling tap 1/2”
43. 3-way valve
44. Temperature sensor T21 hot water tank top
45. Temperature sensor T22 hot water tank bottom
50. Temperature sensor T23 evaporator surface
51. Temperature sensor T20 outdoor temperature
52. Temperature sensor T17 after condenser
53. Temperature sensor T16 before condenser
3/4" supply flow
3/4" return flow
1" supply flow
1" return flow
Buffertank
Internal AIR unit
External AIR unit
SHW (DHW)

Table of Contents

Other manuals for nilan CTS700-TOUCH

Related product manuals