EasyManua.ls Logo

Nilfisk-Advance Advenger 2400D - Electrical Schematics (After Serial Number Chart); Adgressor;BR Series Schematic (After Serial Number Chart)

Nilfisk-Advance Advenger 2400D
76 pages
Print Icon
To Next Page IconTo Next Page
To Next Page IconTo Next Page
To Previous Page IconTo Previous Page
To Previous Page IconTo Previous Page
Loading...
FORM NO. 56043088 / Advenger
/ BR 600S, 650S, 700S, 800S - 71
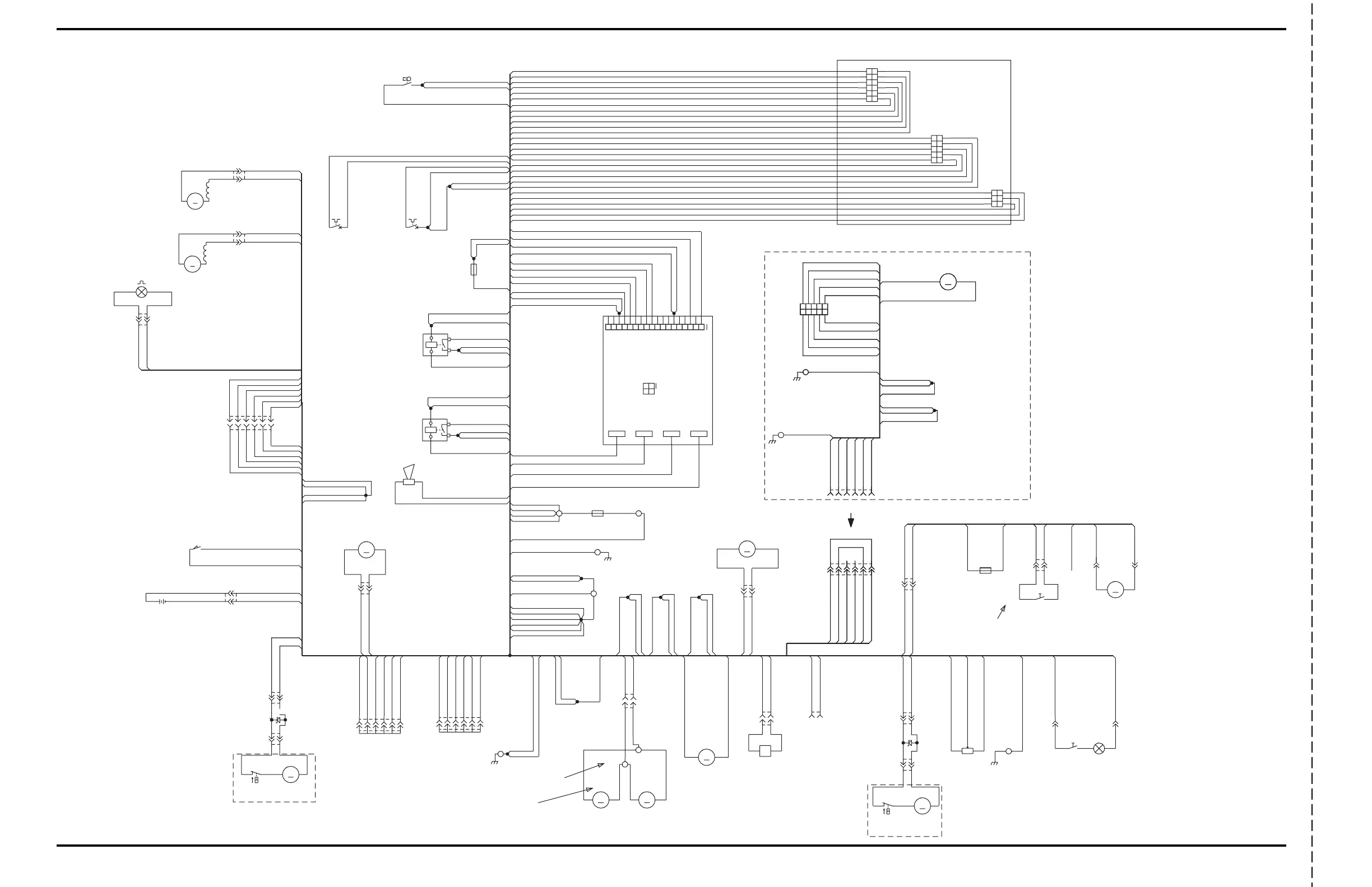
SCHEMATIC FOR ADGRESSOR
/ BR 850S, 850CS, 950S, 950CS, 1050S, 1050CS (after Serial Number Chart)
ELECTRICAL SYSTEM
revised 9/05
X25
X23
X6
S2
SW, SEAT
2
1
X38
X34
X29
SP3
X39
X14
X4
M6
M OTOR, VACUUM
M
X35
F3
CIRCUIT
BREAKER
45 AMP
S5
SW, SIDE BROOM
X41
X42
X18
F4
FUSE, 1 A.
K2
CONTACTOR
VACUUM
X10
X31
H1
HORN
12
X40
X11
1
2
3
4
5
6
7
8
9
10
11
12
13
14
15
16
17
18
X12
S6
M7
MOTOR, BRUSH
M
A1
SPEED CONTROLLER
1
18
1
4
P2
P1
PROGRAM MER
2
3
B-
B-
POT HIGH
POT WIPER
KSI
BRAKE-
PUSH
MODE(M1, M2)
STATUS
B+
B+
INHIBIT
POT LOW
BRAKE+
BDI
HORN
REVERSE
SPEED LIM IT POT
X26
CHASSIS BONDING
X8
L1
VALVE
SOLENOID
12
M2
SQUEEGEE LIFT ACTUATOR
M
X32
R1
POT.
5K OHM
1
2
3
X13
H3
LAMP,
FLASHING
K1
CONTACTOR
BRUSH
X15
M1
BRUSH LIFT ACTUATOR
M
F1
FUSE, 150 A.
X16
SP2
M9
MOTOR, SIDE BROOM
M
M11
PUMP, SOLUTION
OPTIONAL
M
THROTTLE
GROUND
X5
X24
X1
J2
1
2
3
4
5
6
8
9
10
7
BT1
BATTERY, 36 Vdc
F2
S4
SW SPST
M8
MOTOR, BRUSH
M
X33
X22
X55
M3
MOTOR
WHEEL DRIVE
M
J3
1
2
3
4
5
6
X44
X56
X28
M5
M OTOR, VACUUM
M
X45
X27
H2
LAMP, HEAD
12
J4
1
2
3
4
5
6
8
9
10
11
12
7
X9
S1
SW, SPST KEY
SP4
X30
PANEL BONDING
X7
X2
X17
F5
FUSE
5 AMP
RED 1-2
BRN/YEL 16-4
BLK 1-2
BRN 18-1
BRN 18-1
RED/WHT 16-1
RED 8-2
GRN/RED 14-1
WHT/RED 18-2
BRN/YEL 16-1
RED 1-1
RED 16-1
RED 14-3
YEL 20-2
YEL 20-2
WHT/ORN 18-1
WHT/ORN 18-1
RED 16-1
BLK 10-1
RED 8-1
YEL/BLK 10-1
RED 14-1
BRN/RED 18-1
BRN/RED 18-1
RED/BLK 20-1
RED/BLK 20-1
RED 8-1
WHT 12-2
WHT/BRN 16-1
WHT 12-3
YEL 20-2
BRN/YEL 16-2
WHT/BRN 16-2
GRA/BLK 18-1
BLK 14-3
BLK 18-3
ORN 16-1
VIO/BLK 18-1
VIO/BLK 18-1
GRA/BLK 18-1
GRA/BLK 18-1
BLK 18-1
BLK 18-4
RED 1-2
ORN/RED 20-1
ORN/RED 20-1
WHT 12-4
ORN/RED 20-1
YEL/BLK 10-1
BRN/YEL 16-1
WHT 12-1
BRN 18-1
BLK 10-3
GRN/BLK 20-1
GRN/BLK 20-1
GRN/BLK 20-1
WHT/BRN 16-2
BRN/BLK 10-1
BLK 16-2
BLK 16-2
BRN/YEL 16-3
BRN/BLK 10-1
BLK/YEL 16-1
BRN/YEL 16-4
BRN/YEL 16-4
RED 10-1
RED 14-2
RED 14-2
RED 14-1
BLK 16-1
BLK 16-1
BLK 1-1
BLK 14-3
WHT/RED 18-2
WHT/RED 18-2
BRN 16-1
RED 8-2
RED/BLK 20-1
BLK 14-1
RED 10-1
WHT/GRN 16-1
BLK 16-3
BLK 16-3
BRN 16-1
GRA 20-1
BLK 18-3
BLK 16-1
BLK 16-2
BLK 16-3
BLK 14-1
BLK 10-3
BLK 10-1
WHT/BRN 16-1
WHT/BRN 16-1
BLK 14-2
VIO 20-1
GRA 20-1
BLK 14-2
YEL 20-1
VIO 20-2
BLU 14-1
BLK 18-2
BRN/WHT 20-1
BRN/WHT 20-1
BLU 14-1
WHT/ORN 18-2
VIO/BLK 18-2
GRN/YEL 16-1
GRN/YEL 16-2
GRN/YEL 16-1
RED/GRN 10-1
RED/GRN 10-1
WHT/BRN 16-9
WHT/BRN 16-8
BLK/WHT 18-1
YEL/VIO 18-1
WHT/BRN 16-8
WHT/BRN 16-3
WHT/BRN 16-12
WHT/BRN 16-6
WHT/BRN 16-7
WHT/BRN 16-3
WHT/BRN 16-6
WHT/BRN 16-4
BLU/YEL 18-1
WHT/BRN 16-5
GRN/YEL 16-2
BLU 10-2
BLU 10-1
BLK 10-4
BLU 10-1
BLK 10-4
BLK 12-2
BLK 12-3
BLK 12-4
BLK 12-1
BRN/YEL 16-3
BRN/YEL 16-3
BRN/RED 18-1
BLK 10-2
BLK 10-2
BLK 18-4
WHT/BRN 16-9
WHT 12-2
BLK 12-2
WHT 12-1
BLK 12-1
BLK 18-1
WHT/BRN 16-4
WHT 12-3
BLK 12-3
WHT 12-4
BLK 12-4
ORN 20-2
ORN 20-2
YEL/VIO 18-1
YEL/VIO 18-1
VIO 20-2
VIO 20-2
BRN/WHT 20-1
BLU/BLK 20-1
BLU/BLK 20-1
BLU/BLK 20-1
ORN/BLU 20-1
ORN/BLU 20-1
ORN/BLU 20-1
ORN 20-1
BLK 16-4
BLK 16-4
RED/WHT 16-1
RED/WHT 16-1
BLK 16-4
WHT/GRN 16-1
WHT/GRN 16-1
BLK/YEL 16-1
BLK/YEL 16-1
BLK 16-5
BLK 16-5
BLK 16-5
BLK 10-5
ORN/BLK 16-1
ORN/BLK 16-1
ORN/BLK 16-1
ORN 20-1
ORN 20-2
ORN 16-1
VIO 20-1
BLK 1-2
YEL 20-1
Note:
On The Disc Scrubber One Motor (M7) Is Used.
On The Cylindrical Scrubber Both Motors Are Used.
Note:
M6 Is Optional
BLK
BLK
CONTROL BOARD
E1
+
-
Note:
On The Disc Scrubber Terminals X35, X38 Are Not Used.
On The Cylindrical Scrubber Both Terminals Are Used.
ABCDEFABCDE
ABCDEF
ABCDEF
1
2
2
1
-
+
-
+
-
+
-
+
A
A
B
B
1
2
1
2
2
A
A
B
B
B
B
A
A
-
+
B
A
B
B
A
A
B
B
A
A
B
B
A
A
B
B
A
A
B
B
A
A
B
B
A
A
1
2
1
2
+
-
12
12
1
2
+
-
2
1
3
4
2
1
3
4
2
1
1
2
1
2
1
2
-
+
12
1
2
12
1
2
4
3
5
2
3
1
2
1
2
1
2
2
1
1
2
3
1
2
3
1
2
-
+
-
+
B+
B-
M2M1
CIRCUIT
BREAKER
10 AMP
F
BLK 18-5
NOT USED
B
B
A
A
X57
X58
D2
ZENER TVS
WHT/ORN 18-3
WHT/ORN 18-2
WHT/ORN 18-1
VIO/BLK 18-3
VIO/BLK 18-2
VIO/BLK 18-1
WHT/BRN 18-1
WHT/BRN 16-12
WHT/BRN 16-7
SP9 SP6
SP10
1
2
2
1
2
2
1
2
2
X48
X47
X43
X46
Note:
OPTIONAL -- On Cylindrical Machine Only
RED 14-3
X36
X37
B
A
B
A
WHT/BRN 18-1
A
B
C
D
E
F
A
B
C
D
E
F
X60
X59
BLK 18-5
VIO/BLK 18-3
WHT/ORN 18-3
BLK/WHT 18-1
BLU/YEL 18-1
WHT/BRN 18-2
BLK 18-6
CHEMICAL INJECTION
SYSTEM OPTION
Note: When Chemical Injection Is Used, Discard
X60 And Plug X61 Into X59.
12345
678910
J5
BLK/WHT 18-2
BLK 18-9
BLU/YEL 18-2
WHT/BRN 18-5
VIO/BLK 18-4
WHT/ORN 18-4
RED/WHT 18-1
WHT/BRN 18-4
BLK 18-8
BLU/GRA 18-1
RED/WHT 18-1
BLU/GRA 18-1
M12
PUMP, CHEMICAL
M
+
-
WHT/BRN 18-5
WHT/BRN 18-4
WHT/BRN 18-3
CHASSIS BONDING
GRN/YEL 18-1
X62
12
BLK 18-9
BLK 18-8
BLK 18-7
SP7
1
2
SP8
1
2
2
2
CHASSIS BONDING
GRN/YEL 18-1
X63
12
X61
ABCDEF
WHT/BRN 18-3
BLK 18-7
VIO/BLK 18-4
WHT/ORN 18-4
BLK/WHT 18-2
BLU/YEL 18-2
WHT/BRN 16-5
BLK 18-2
X52
X21
X20
X49
B
B
A
A
B
B
A
A
D1
ZENER TVS
PUMP, ACCESSORY
OPTIONAL
S3
M4
M
1
2
+
-

Table of Contents

Related product manuals