EasyManua.ls Logo

Nokia RM-598 - Vibra

Nokia RM-598
166 pages
Print Icon
To Next Page IconTo Next Page
To Next Page IconTo Next Page
To Previous Page IconTo Previous Page
To Previous Page IconTo Previous Page
Loading...
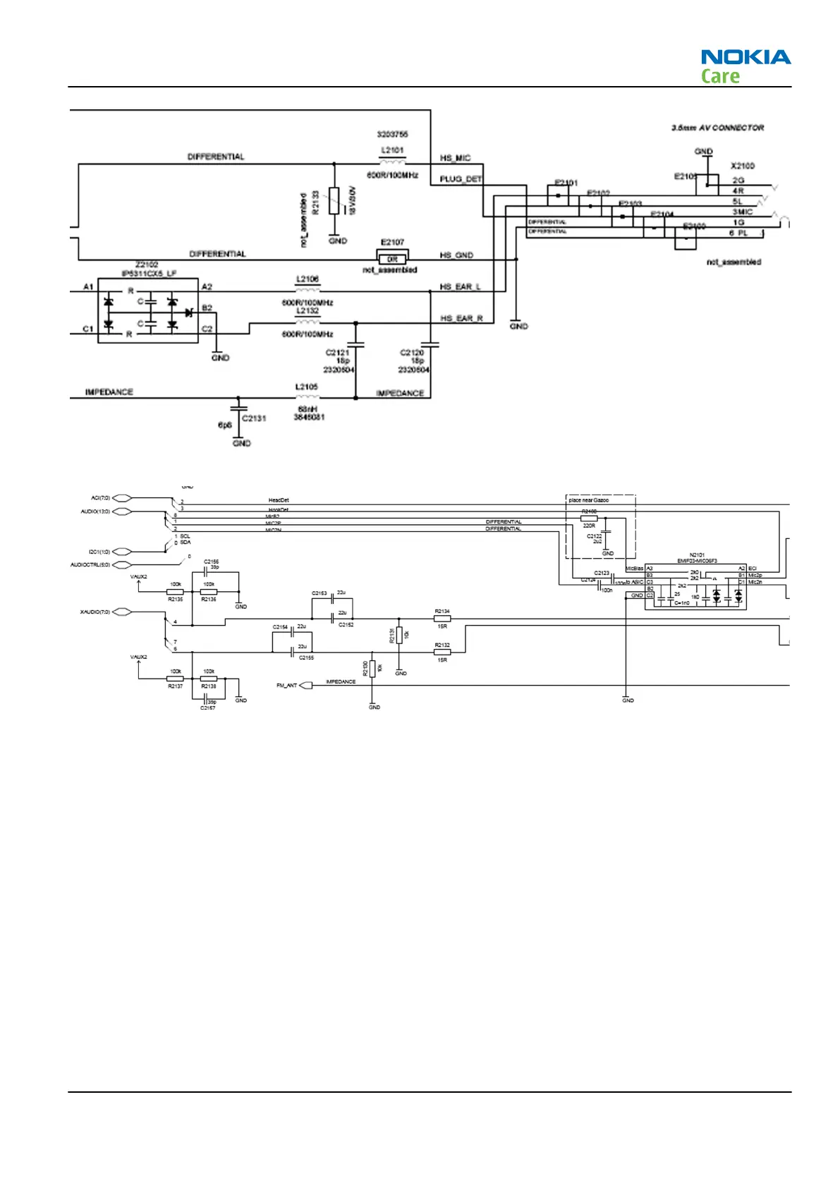
Figure 44 AV connector
Figure 45 AV interface
Vibra
The vibra (M2100) is a mounted SMD located at the bottom side of the main board. It is supplied directly from
the Pearl/Gazoo vibra outputs.
RM-598; RM-604
System Module
Issue 1 COMPANY CONFIDENTIAL Page 5 –21
Copyright © 2009 Nokia. All rights reserved.

Table of Contents

Related product manuals