EasyManua.ls Logo

Norcold N64X - Ice Maker Wiring Pictorial and Diagram

Norcold N64X
52 pages
Print Icon
To Next Page IconTo Next Page
To Next Page IconTo Next Page
To Previous Page IconTo Previous Page
To Previous Page IconTo Previous Page
Loading...
Owner’s Manual 22
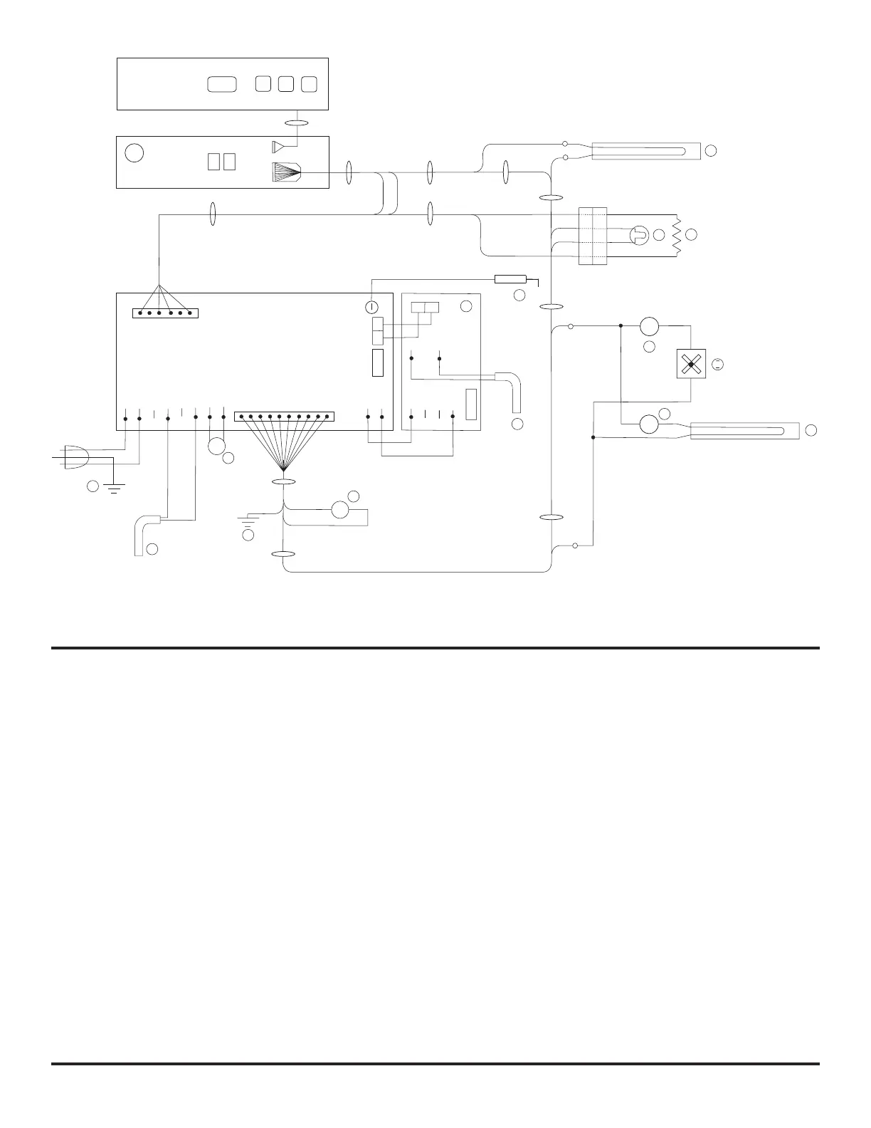
Ice Maker Wiring Pictorial and Diagram
(N64XIM, N64XIMXX, N84XIM, and N84XIMXX models)
The parts of the ice maker wiring pictorial and diagram are (See Art01500):
120V AC Hot .........................................................................................................................................................................................109
PC Board ................................................................................................................................................................................................49
Ground screw ....................................................................................................................................................................................... 111
Hot / smooth ......................................................................................................................................................................................... 112
Neutral / Ribbed.................................................................................................................................................................................... 113
Solenoid Water Valve .............................................................................................................................................................................44
Thermal Fuse ....................................................................................................................................................................................... 114
Ice maker .............................................................................................................................................................................................. 115
Mold Heater .......................................................................................................................................................................................... 116
Thermostat .............................................................................................................................................................................................96
Shut Off Switch .....................................................................................................................................................................................117
Fill Switch ............................................................................................................................................................................................. 118
Holding Switch ...................................................................................................................................................................................... 119
Motor ....................................................................................................................................................................................................120
120V AC Neutral ................................................................................................................................................................................... 110
Art01876
5
L1
L2
P1
5
OVERLAY/REVÊTRMENT
DISPLAY BOARD/
CARTE D’AFFICHAGE
POWER BOARD/ PANNEAU D’ALIMENTATION
+12VDC/VCD
4
P2
T1
5 AMP
AC_HT_HI_2
LIMIT_IN
LIMIT_OUT
AC_HT_LO
AC_HT_HI
AC_HT_LO_2
GND
12VDC
L
K
A
10
L
7
-12VDC/VCD
B
C
6 1
10
1
GND
GND
12V
12V
HTR_GND
DC_HTR
M
30 AMP
D
E
3
2
5
1
1
1
H
G
I
2
3
J
6
1
8 AMP
F2
F1
*
F1
*
*
F
P

Table of Contents

Other manuals for Norcold N64X

Related product manuals