EasyManua.ls Logo

Nortec RH - Page 21

Nortec RH
60 pages
Print Icon
To Next Page IconTo Next Page
To Next Page IconTo Next Page
To Previous Page IconTo Previous Page
To Previous Page IconTo Previous Page
Loading...
Installation | 18
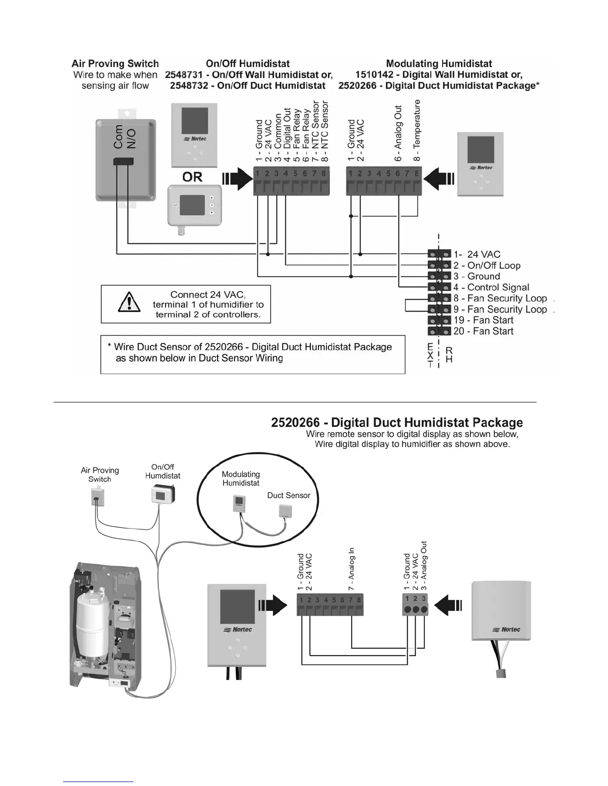
Figure 19: Modulating Control Wiring
Figure 20: Duct Sensor Wiring

Related product manuals