EasyManua.ls Logo

Nortec RH - Rh Wiring Diagram

Nortec RH
60 pages
Print Icon
To Next Page IconTo Next Page
To Next Page IconTo Next Page
To Previous Page IconTo Previous Page
To Previous Page IconTo Previous Page
Loading...
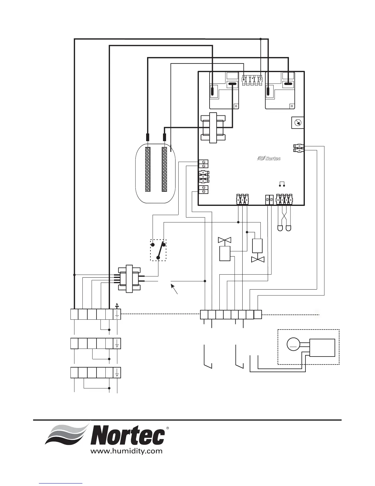
J10
Install J10 for
On/Off
control only
Capacity
adjust
High Water
P8
K2
K3
P4 P5 P6
Status
Lamps
240/208/120
VAC
24 VAC
1.5 Amps
G
Y
Cylinder
Fill V
Drain V
12
3
4
8
919
20
24 VAC
Security Loop
Control Ground (-)
Control Signal (+)
24 VAC
Fan Security
Fan Start (+)
Fan Start (--)
208
240L1
External
Internal
120 P
On/Off/Drain
Switch
Transformer
208
240L1
120 P
208
240L1
120 P
S
Note:
Install jumper
from P to
terminal
corresponding
to mains
voltage.
Note:
Room Steam Distributor
not included with RH
Duct humidifier
Hot
Neutral
Ground
Hot
Hot
Ground
Hot
Hot
Ground
120 VAC
208 VAC
240 VAC
M
ROOM Steam Distributor
TB2
TB1
+
_
~
~
Rh Humidifier 120/208/240 Vac
INTERNAL WIRING DIAGRAM
DIAGRAM No. 2548760 REV. B DATE: Sept. 9, 2009
P1
P2
P3
P7
RH Wiring Diagram
51 | Troubleshooting
Figure 36: RH Wiring Diagram

Related product manuals